中图分类号: TM721
2. 中国石油天然气股份有限公司规划总院,北京 100083
模块化多电平换流器(modular multilevel converter,MMC)具有自关断能力,无须电网电压换相,可以独立控制有功功率和无功功率,特别适合给弱交流电网及无源交流电网供电[1-4]。分布式可再生能源大量分布于沙漠、海上等偏远地区,长距离的输电线路使得电网的等效阻抗不可被忽略,呈现出弱电网的高感抗特性[5-6]。该情况下,并网MMC无法避免在弱电网下运行,公共耦合点(point of common coupling,PCC)处较大的电感会引发大量低频谐波,不仅加重交流侧输出电流谐波,还降低直流侧电能质量[7-9],甚至会触发过压和过流保护,进一步降低系统稳定性。
在电网故障下,MMC与电网之间的强耦合作用可能引发谐波振荡并导致系统稳定性问题,而系统的高低压穿越能力是解决该问题的根源[10-11]。在改变拓扑结构方面,采用混合型MMC或全桥MMC可以达成目的[12-14];在改变控制策略方面,由于非对称故障存在正负序分量,实际MMC输出的功率和电流带有二倍频谐波,使得功率、电流控制变得复杂。文献[15]采用负序电流注入方法进行均压控制,该方法会导致负序电流增加;文献[16]通过抑制负序电流避免产生过电流,但未对桥臂环流、子模块电容电压均衡等能量均衡问题进行深入研究。
为维持系统不间断稳定运行,在弱电网下实现高低压穿越并兼顾系统性能及稳定性,须对系统进行综合控制。目前,大部分MMC延用两电平变换器的交流侧负反馈控制策略[17-19],将交流电流控制和内部环流抑制分开[20-22],在内部环流抑制中整合子模块电容均压控制,系统复杂程度较高。文献[23-26]给出基于桥臂电流控制的整体控制策略,但未涉及弱电网。此外,少有文献关注整体控制中锁相环(phase-locked loop,PLL)的改进。文献[27-28]指出在弱电网下并网系统的稳定性受PLL影响显著,仅采用双二阶广义积分器(double second-order generalized integrator,DSOGI)虽然可以增大系统正负序阻抗模值和相角裕度,提高系统稳定性,但在电网电压不平衡或高次谐波条件下无法实现准确锁相[29-32]。
基于上述研究背景,文中改进均衡控制策略,提出一种MMC功率再分配的高低压穿越运行技术。同时,在均衡控制中优化DSOGI-PLL,增强PLL的电网适应性。整体控制能够适应弱电网环境,实现对参考电流的无静差跟踪,并降低总谐波畸变率,提升系统动态和稳态性能,从而实现系统故障穿越的不间断运行。仿真结果验证了该方法的有效性。
1 主电路拓扑与功率计算与其他加入LC的拓扑不同,文中拓扑利用MMC的桥臂电感Lf作为LC滤波器的逆变侧电感,同时为了模拟实际电网和桥臂电感Lf间的容抗,增加滤波电容Cf ,构成的MMC如图1所示,文中统称LCMMC。
|
图 1 LCMMC主电路拓扑 Fig. 1 LCMMC main circuit topology |
假设桥臂完全对称,桥臂参数一致。N为上/下桥臂子模块数;Rf为桥臂等效电阻;Zg为电网阻抗;Udc为直流侧电压;Idc为直流电流;usj、isj(j=a,b,c)分别为j相交流电压和电流;upj、unj分别为j相上、下桥臂由子模块级联产生的电压;ipj、inj分别为j相上、下桥臂电流;icirj为j相二倍频环流。
忽略MMC自身损耗,考虑电网阻抗、桥臂电感和电阻的影响,由图1根据基尔霍夫定律可得:
| $ \left\{\begin{gathered} u_{\text{p} j}=\frac{U_{\text{dc}}}{2}-u_{\text{s} j}-Z_{\text{g}} \frac{\text{d} i_{\text{s} j}}{\text{d} t}-L_{\text{f}} \frac{\text{d} i_{\text{p} j}}{\text{d} t}-R_{\text{f}} i_{\text{p} j} \\ u_{\text{n} j}=\frac{U_{\text{dc}}}{2}+u_{\text{s} j}+Z_{\text{g}} \frac{\text{d} i_{\text{s} j}}{\text{d} t}-L_{\text{f}} \frac{\text{d} i_{\text{n} j}}{\text{d} t}-R_{\text{f}} i_{\text{n} j}\\ \end{gathered}\right. $ | (1) |
定义上、下桥臂电流包括基频交流分量ipsj、insj,基频直流分量idj以及二倍频环流分量icirj。
| $ \left\{\begin{gathered} i_{\text{p} j}=\frac{i_{\text{s} j}}{2}+i_{\text{cir}j}=i_{\text{ps} j}+i_{\text{d} j}+i_{\text{cir} j} \\ i_{\text{n} j}=-\frac{i_{\text{s} j}}{2}+i_{\text{cir} j}=i_{\text{ns} j}+i_{\text{d} j}+i_{\text{cir} j}\\ \end{gathered}\right. $ | (2) |
由式(2)可得:
| $ i_{\text{p} j}-i_{\text{n} j}=i_{\text{s} j}=i_{\text{ps}j}-i_{\text{ns}j} $ | (3) |
由于正弦交流量与直流量相乘的积分等于0,定义电网周期为T,以上桥臂为例,其基频交流分量ipsj满足式(4)。下桥臂同理,在此不再赘述。
| $ \begin{split} &\left\{ \begin{gathered} \int_0^T U_{\text{dc}} i_{\text{cir}j} \text{d} t=0 \\ \int_0^T U_{\text{dc}} i_{\text{ps} j } \text{d} t=0 \\ \int_0^T u_{\text{s} j} i_{\text{d}j} \text{d} t=0\\ \int_0^T u_{\text{s} j} i_{\text{cir}j} \text{d} t=0 \\ \int_0^T Z_{\text{g}}(\text{d} i_{\text{s} j} / \text{d} t)(i_{\text{p} j} / 2) \text{d} t=0 \\ \int_0^T L_{\text{f}}(\text{d} i_{\text{p} j} / \text{d} t)(i_{\text{p} j} / 2) \text{d} t=\int_0^T L_{\text{f}} i_{\text{d} j}(\text{d} i_{\text{d}j} / \text{d} t) \text{d} t\\ \int_0^T R_{\text{f}} i_{\text{p} j} i_{\text{ps} j} \text{d} t=\frac{1}{T} \int_0^T R_{\text{f}} i_{\text{ps} j}^2 \text{d} t \\ \int_0^T R_{\text{f}} i_{\text{p} j} i_{\text{cir}j} \text{d} t=\frac{1}{T} \int_0^T R_{\text{f}} i_{\text{cir}j}^2 \text{d} t \\ \int_0^T R_{\text{f}} i_{\text{p} j} i_{\text{d} j} \text{d} t=\frac{1}{T} \int_0^T R_{\text{f}} i_{\text{d} j}^2 \text{d} t\\ \end{gathered} \right.\\& \end{split} $ | (4) |
根据能量守恒可得:
| $ P_{\text{s} j}=P_{\text{p} j}+P_{\text{n}j}+P_{\text{DC} j}+P_{R_{\text{f}} j}+P_{L_{\text{f} }j} $ | (5) |
式中:Psj为j相从电网吸收的有功功率;Ppj、Pnj分别为j相上、下桥臂消耗的有功功率;PDCj为j相输出到直流母线的有功功率;
将式(1)—式(4)代入式(5)可得:
| $ \left\{ \begin{gathered} \begin{gathered} P_{\text{p} j}=- \frac{1}{T} \int_0^T u_{\text{p} j} i_{\text{p} j} \text{d} t=-\frac{1}{T} \int_0^T \frac{U_{\text{dc}}}{2} i_{\text{d} j} \text{d} t+\qquad \\ \frac{1}{T} \int_0^T u_{\text{s}j} i_{\text{ps} j} \text{d} t+ \frac{1}{T} \int_0^T R_{\text{f}} i_{\text{ps} j}^2 \text{d} t+\frac{1}{T} \int_0^T R_{\text{f}} i_{\text{d} j}^2 \text{d} t+ \\ \frac{1}{T} \int_0^T R_{\text{f}} i_{\text{cir}j}^2 \text{d} t+\frac{1}{T} \int_0^T L_{\text{f}} \frac{\text{d} i_{\text{d} j}}{\text{d} t} i_{\text{d} j} \text{d} t \end{gathered}\\ \begin{gathered} P_{\text{n} j}=- \frac{1}{T} \int_0^T u_{\text{n} j} i_{\text{n}j} \text{d} t=-\frac{1}{T} \int_0^T \frac{U_{\text{dc}}}{2} i_{\text{d} j} \text{d} t-\qquad \\ \frac{1}{T} \int_0^T u_{\text{s}j} i_{\text{ns}j} \text{d} t+ \frac{1}{T} \int_0^T R_{\text{f}} i_{\text{ns}j}^2 \text{d} t+\frac{1}{T} \int_0^T R_{\text{f}} i_{\text{d}j}^2 \text{d} t+ \\ \frac{1}{T} \int_0^T R_{\text{f}} i_{\text{cir}j}^2 \text{d} t+\frac{1}{T} \int_0^T L_{\text{f}} \frac{\text{d} i_{\text{d} j}}{\text{d} t} i_{\text{d} j} \text{d} t \end{gathered}\\ P_{\text{s} j}=\frac{1}{T} \int_0^T u_{\text{s} j} i_{\text{s}j} \text{d} t=\frac{1}{T} \int_0^T u_{\text{s} j}(i_{\text{ps}j}-i_{\text{ns}j}) \text{d} t\\ \begin{gathered} P_{\text{DC} j}= \frac{1}{T} \int_0^T \frac{U_{\text{dc}}}{2}(-i_{\text{p} j}-i_{\text{n}j}) \text{d} t= \frac{1}{T} \int_0^T \frac{U_{\text{dc}}}{2}\times \\ (-i_{\text{s} j}-2 i_{\text{d}j}-2 i_{\text{cir}j}) \text{d} t=\frac{1}{T} \int_0^T U_{\text{dc}} i_{\text{d}j} \text{d} t \end{gathered}\\ \begin{gathered} P_{R_{\text{f}} j}= \frac{2}{T} \int_0^T R_{\text{f}} i_{\text{ps} j}^2 \text{d} t+\frac{2}{T} \int_0^T R_{\text{f}} i_{\text{d}j}^2 \text{d} t+ \\ \frac{2}{T} \int_0^T R_{\text{f}} i_{\text{cir} j}^2 \text{d} t=\frac{2}{T} \int_0^T R_{\text{f}} i_{\text{p} j}^2 \text{d} t \end{gathered}\\ \begin{gathered} P_{L_{\text{f}} j}=\frac{1}{T} \int_0^T L_{\text{f}} \frac{\text{d} i_{\text{p} j}}{\text{d} t} i_{\text{d}j} \text{d} t+\frac{1}{T} \int_0^T L_{\text{f}} \frac{\text{d} i_{\text{n}j}}{\text{d} t} i_{\text{d}j} \text{d} t=\\ \frac{2}{T} \int_0^T L_{\text{f}} \frac{\text{d} i_{\text{d} j}}{\text{d} t} i_{\text{d}j} \text{d} t \end{gathered}\\ \end{gathered} \right. $ | (6) |
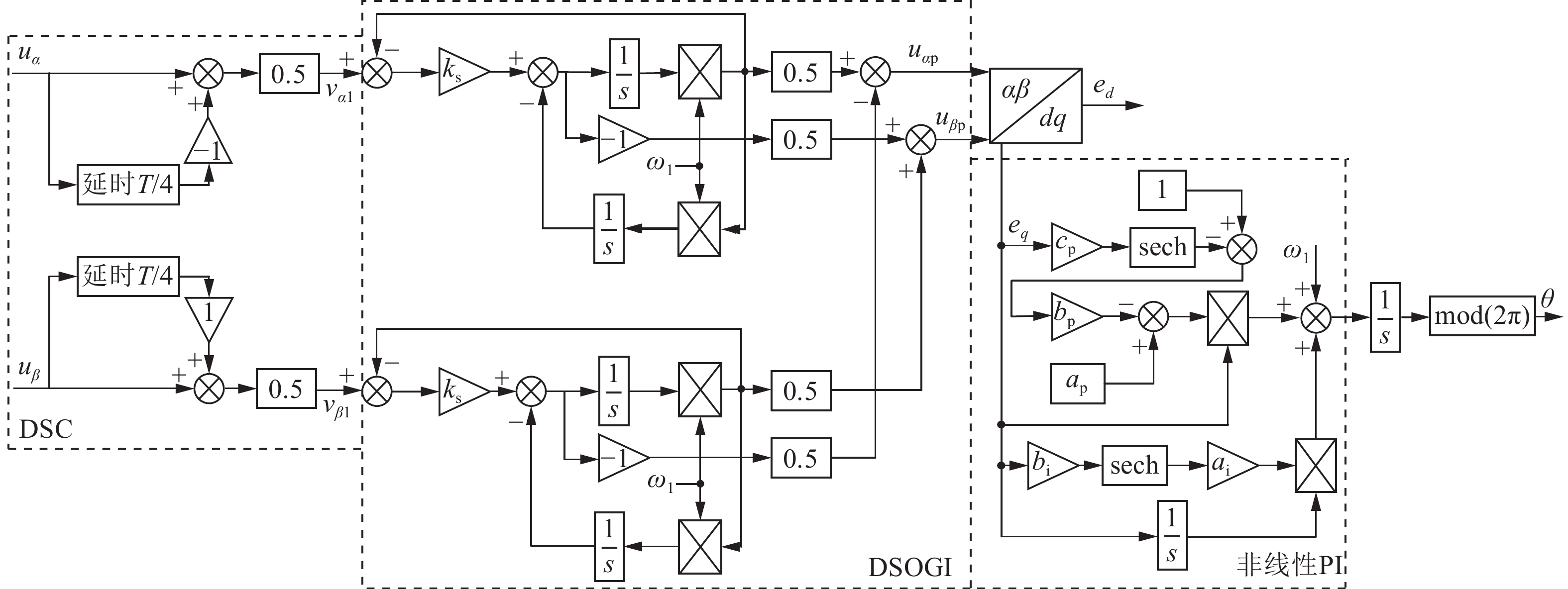
当高低压穿越故障时,传统PLL会受到电网电压谐波分量的干扰,其检测得到的电网电压幅值和相角都存在倍频振荡分量,检测相位、频率不准确,故提出一种具有抗干扰特性的改进DSOGI-PLL,整体结构如图2所示。在原有DSOGI-PLL的基础上增加延迟信号消除器(delay signal cancelation,DSC)作为前置滤波环节,同时将传统比例积分(proportional integral,PI)改为非线性PI控制,用于谐波消除、电网非对称跌落以及电网不同工况下提高锁相速度和精度。首先,采用Clark变换将三相网侧电压转换为αβ静止坐标系下的分量uα、uβ,利用DSC提取变量vα1、vβ1;然后,用DSOGI提取基波正序分量uαp、uβp,经Park变换得到dq旋转坐标系下的分量ed、eq;最后,将eq作为非线性PI的输入最终锁相θ。图2中,ks为阻尼比;ω1为电网角频率;sech为双曲正割函数;mod为求余函数;ap、bp、cp、ai、bi为正实数。
|
图 2 改进DSOGI-PLL结构 Fig. 2 Improved DSOGI-PLL structure |
DSC采用T/4延时可以应对负序5次和正序7次谐波注入给PLL相位提取带来的干扰,在αβ坐标系下任意电压uαβ(t)的DSC运算表达式为:
| $ D(t)=\frac{1}{2}\left(u_{\alpha \beta}(t)+u_{\alpha \beta}\left(t-\frac{T}{4}\right)\right) $ | (7) |
由图2可得DSC的传递函数为:
| $ G(s)=\frac{1}{2}(1+\text{e}^{-\tfrac{T}{4} s+\text{j} \tfrac{{\text{π}}}{2}}) $ | (8) |
改进型DSOGI可以同时应对电网电压不对称跌落和提取PLL相位所带来的干扰,其传递函数为:
| $ G_{\text{DSOGI}}(s)=\frac{-\text{j} k_{\text{s}} s^2+k_{\text{s}} \omega_1 s}{2 s^2+2 k_{\text{s}} \omega_1 s+2 \omega_1^2} $ | (9) |
根据式(8)得到DSC伯德图,如图3(a)所示,其中频率为−250 Hz(负序5次谐波)、350 Hz(正序7次谐波)时幅值为0,频率为50 Hz时幅值为1,这意味着可以消除谐波分量,并让基波正序分量通过。DSOGI伯德图如图3(b)所示,可以发现,在频率为0(直流偏移)时幅值为0,频率为50 Hz时幅值为1,这意味着可以消除直流偏移分量,并让基波正序分量通过。
|
图 3 静止坐标系下的伯德图 Fig. 3 Bode diagram under a stationary coordinate system |
非线性PI的比例系数kp和积分系数ki为:
| $ \left\{\begin{gathered} k_{\text{p}}=a_{\text{p}}+b_{\text{p}}(1-\operatorname{sech}(c_{\text{p}} e_q)) \\ k_{\text{i}}=a_{\text{i}}+\operatorname{sech}(b_{\text{i}} e_q)\\ \end{gathered}\right. $ | (10) |
非线性PI的输出y(t)表示为:
| $ y(t)=k_{\text{p}} e_q+k_{\text{i}} \int_0^T e_q \text{d} t $ | (11) |
当误差趋于无穷时,kp为ap+bp,ki趋于0;当误差为0时,kp为ap,ki为ai,ki的变化速率受bi影响。文中将非线性PI的参数设置为ap=25、bp=7.5、cp=0.75、ai=125、bi=1。
2.2 直流母线电压控制图4为直流母线电压控制,其中GPI_dc(s)为直流母线电压PI控制传递函数,包含比例系数Kdcp和积分系数Kdci;Udcref为直流电压指令值;Idcmax为PI控制器的输出限幅,得到直流电流指令Idcref为:
|
图 4 直流母线电压控制 Fig. 4 Direct current bus voltage control |
| $ I_{\text{dcref}}=\frac{1}{3}(K_{\text{dcp}}+K_{\text{dci}} / s)(U_{\text{dcref}}-U_{\text{dc}}) $ | (12) |
若想在高低压穿越情况下维持系统稳定运行,须确保三相子模块电容电压均衡且交流电流三相对称。假设MMC电流控制消除了内部交流环流成分,由于直流环流在等效电阻上的压降很小,故交流侧上、下桥臂的输出电压近似相等,即upj
| $ \frac{1}{T} \int_0^T u_{\text{s} j} i_{\text{s}j} \text{d} t=\frac{1}{T} \int_0^T U_{\text{dc}} i_{\text{d}j} \text{d} t $ | (13) |
在直流侧电压Udc不变的前提下,式(13)中存在3个自由量,即交流相电流isj、交流相电压usj、基频直流分量idj。考虑到控制目标为改善弱电网下电压和电流的电能质量治理情况,首先要保证交流侧电流isj三相对称,即isa=isb=isc,通过调整idj使其满足ida≠idb≠idc,实现各相子模块有功功率PDCj再分配,并抑制功率二倍频波动。
相间均衡控制包括三相子模块均压和单相子模块均压。由于子模块电容电压之和存在二倍频波动,在三相子模块总体电容电压平均值UC_avg和j相子模块电容电压平均值UCj_avg处均加入二倍频陷波器,将子模块电容电压指令值
| $ U_{Cj \_\text{avg}}=\frac{1}{2 N}\left(\sum\limits_{i=1}^N U_{C{\text{p} j i}}-\sum\limits_{i=1}^N U_{C \text{n}ji}\right) $ | (14) |
| $ U_{C\_ \text{avg}}=\frac{1}{6 N} \sum\limits_{j=\text{a}, \text{b}, \text{c}}\left(\sum\limits_{i=1}^N U_{C{\text{p} ji}}-\sum\limits_{i=1}^N U_{C \text{n} ji}\right) $ | (15) |
式中:UCpji、UCnji分别为j相上、下桥臂第i个子模块电容电压值,i=1,2
对于单相的子模块均压控制,将各相子模块电容电压的实际值与指令值作差,经PI控制得到输出指令值ΔIsj为:
| $ \Delta I_{\text{s}j}=(K_{\text{bp}}+K_{\text{bi}} / s)(U_C^*-U_{Cj\_\text{avg}}) $ | (16) |
式中:Kbp、Kbi为单相子模块均压的PI控制参数。
为使三相电流幅值相等,将三相PI控制输出的平均值与单相PI输出值作差。通过式(17)调整直流母线电流来调整有功功率在MMC三相桥臂间的分配,单相子模块均压控制输出的电流指令ΔIdj表示为:
| $ \Delta I_{\text{d}j}=(I_{\text{s} \_ \text {avg }}-\Delta I_{\text{s}j}) \frac{U_{\text{sN}}}{U_{\text{dc}}} $ | (17) |
式中:Is_avg为三相PI控制输出的平均值,Is_avg=(ΔIsa+ΔIsb+ΔIsc)/3;UsN为网侧正序电压的幅值。
上述过程简化为矩阵X0:
| $ \boldsymbol{X}_0=\frac{1}{3}\left[\begin{array}{ccc} -2 & 1 & 1 \\ 1 & -2 & 1 \\ 1 & 1 & -2 \end{array}\right] $ | (18) |
对于三相总体的子模块均压控制,利用
| $ \Delta I_{\text{b}}=(K_{\text{ap}}+K_{\text{ai}} / s)(U_C^*-U_{C\_\text{avg}}^{\prime}) $ | (19) |
式中:Kap、Kai为三相子模块均压的PI控制参数。
该环节输出的电流指令ΔIbj为:
| $ \Delta I_{\text{b} j}=\Delta I_{\text{b}} \sin _j(\omega_1 t) / 2 $ | (20) |
其中,ω1由并网PLL得出,表达式如下:
| $ \left\{ \begin{aligned} &\sin _{\text{a}} (\omega_1 t)=\sin\; \theta \\ &\sin _{\text{b}} (\omega_1 t)=\sin \left(\theta-\frac{2}{3} {\text{π}}\right) \\ &\sin _{\text{c}} (\omega_1 t)=\sin \left(\theta+\frac{2}{3} {\text{π}}\right) \end{aligned}\right. $ | (21) |
j相桥臂电流参考指令的直流电流Ib_dcjref可作如下修正:
| $ I_{\text{b} \_ \text{dc}j\text{ref}}=\Delta I_{\text{d} j}+\Delta I_{\text{b} j}=\Delta I_{\text{d} j}+\frac{1}{2} \Delta I_{\text{b}} \sin _j (\omega_1 t) $ | (22) |
综合以上分析,所设计的相间电容电压均衡控制如图5所示,其中GPI_a(s)为三相均压PI控制传递函数;GPI_b(s)为单相均压PI控制传递函数。
|
图 5 相间电容电压均衡控制 Fig. 5 Phase-to-phase capacitance voltage equalization control |
弱电网下桥臂参数不对称或上、下桥臂损耗不一致会导致电容电压不平衡,因此有必要对上、下桥臂进行均压控制。由式(6)可知,上、下桥臂子模块功率Ppj、Pnj包括2个自由量,分别为idj和ipsj或insj。通过控制自由量中的交流有功分量调节上、下桥臂的有功功率,从而控制上、下桥臂的电容电压。
由于上、下桥臂电容电压之差存在基频波动,所以在上、下桥臂电容电压之差的平均值ΔUCj_avg后引入基频陷波器,该平均值表示为:
| $ \Delta U_{C j \_\text{avg}}=\frac{1}{N}\left(\sum\limits_{i=1}^N U_{C{\text{p} j i}}-\sum\limits_{i=1}^N U_{C \text{n} j i}\right) $ | (23) |
将上、下桥臂电容电压之差的指令值0与滤波后的平均值
| $ \Delta I_{\text{a}\_ j}= \pm(K_{\text{cp}}+K_{\text{ci}} / s)(0-\Delta U_{Cj\_ \text{avg}}^{\prime}) $ | (24) |
式中:Kcp、Kci为上、下桥臂子模块均压的PI控制参数。
考虑到LCMMC交流侧与直流侧的有功功率守恒,选取直流母线电压控制输出Idcref作为桥臂电流有功分量的前馈量Iff,即:
| $ I_{\text{ff}}=\frac{2 U_{\text{dc}} I_{\text{dcref}}}{3 U_{\text{sN}}} $ | (25) |
将式(25)与单相均压控制产生的交流侧对称三相电流指令Is_avg相加得到上、下桥臂均压总指令ΔIb_avg为:
| $ \Delta I_{\text{b} \_ \text {avg }}=I_{\text{ff}}+I_{\text{s} \_ \text {avg }} $ | (26) |
为解决弱电网下PLL引起的系统交互稳定性问题,将电流信号转换成瞬时值,采用的sinj(ω1t)仍由2.1节的改进DSOGI-PLL得出,由此得到均压输出指令电流ia_pj和ia_nj为:
| $ \left\{ \begin{aligned} & {i}_{\text{a} \_\text{p} j}= \frac{1}{2}(\Delta I_{\text {b}\_\text {avg}}+\Delta I_{\text{a}\_j}) \sin _{j} (\omega_1 t) \\ &{i}_{\text{a} \_\text{n}j}= \frac{1}{2}(\Delta I_{\text{b} \_ \text {avg }}-\Delta I_{\text{a}\_j}) \sin _{j} (\omega_1 t) \end{aligned} \right. $ | (27) |
为针对各相损耗不同和交流电网零序电压导致的零序环流,引入零序抑制矩阵M0,M0=−X0,抑制上、下桥臂电容电压均衡控制输出电流量的零序电流,从而确保环流分量只在三相内流动,消除在桥臂参数不对称工况下直流母线的基频零序电流,避免其对直流侧产生影响。
三相均压输出指令电流经过矩阵M0的运算,即可得到各相对应的上、下桥臂电容电压均衡控制指令值ia_pjref和ia_njref。
综上得到上、下桥臂电容电压均衡控制框图如图6所示,其中GPI_c(s)为上、下桥臂均压PI控制传递函数。
|
图 6 上、下桥臂电容电压均衡控制 Fig. 6 Capacitance voltage balancing control of upper and lower bridge arm |
弱电网下存在的电网阻抗会降低控制系统的鲁棒性,产生的谐波使得电能质量下降。为改善该问题,文中采用具有选频特性的多谐振环节提高稳定性,通过增大环路增益提高LCMMC输出阻抗。
多谐振控制器的外环采用多个准比例谐振(proportional resonance,PR)控制器并联,传递函数为:
| $ G_{\text{c}}(s)=K_{\text{p}}+\sum\limits_{k=1,3,5, \cdots } \frac{K_{\text{r}} \omega_{\text{c}} s}{s^2+2 \omega_{\text{c}} s+(k \omega_1)^2} $ | (28) |
式中:Kp为多谐振控制器的比例系数;k为谐波次数;Kr为谐振因子;ωc为多谐振控制器的截止频率。采用多谐振控制后的控制框图如图7所示。图7中,iCj为j相电容电流;iCα、iCβ分别为α、β轴的电容电流;isd、isq分别为d、q轴的交流侧电流;irefd、irefq分别为d、q轴电流指令值;urj为多谐振控制的j相输出电压。
|
图 7 多谐振控制 Fig. 7 Multi-resonance control |
由于弱电网相比强电网含有更多的低频次谐波,而PI控制无法有效抑制低频直流分量,交流电网的低频谐波耦合到直流侧,使得电压和电流的电能质量降低。故桥臂电流内环采用对交流电流有较强跟踪能力的PI和多个准PR并联控制,如图8所示,以上桥臂为例,下桥臂同理。图8中,Ipjref为j相上桥臂外环控制输出电流指令值;Ipj为j相上桥臂输出电流实际值;GPI_n(s)为内环PI控制传递函数,包含比例系数Knp和积分系数Kni;Kpo为内环比例系数;Kro为内环谐振因子;ωco为内环的截止频率;upo为上桥臂电流内环输出量。
|
图 8 桥臂电流内环控制 Fig. 8 Arm current inner loop control |
LCMMC的整体控制由多环节控制方法实现,如图9所示,其中外环控制实现交直流故障穿越和高性能的电流控制,包括直流母线电压控制和子模块电容电压均衡控制,均衡控制包括上、下桥臂均压控制和相间均压控制,目的是使相间电容电压和上、下桥臂电容电压保持平衡,所有子模块电压跟踪指令值。图9中,isjqref为交流侧电流isj的无功电流指令值;icir_ jref为MMC内部j相交流环流指令值,在系统空载时设置,文中设为0;uno为下桥臂电流内环输出量。
|
图 9 LCMMC综合控制策略 Fig. 9 LCMMC integrated control strategy |
外环输出的j相上、下桥臂电流指令值为:
| $ \left\{ \begin{gathered} I_{\text {p}j\text {ref }}=I_{\text {dcref }}+I_{\text{b}\_ \text {dc}j\text {ref }}+i_{\text{a}\_ \text {p}j\text {ref }}+\frac{1}{2} i_{\text {s}jq\text {ref }}+i_{\text {cir}\_j\text {ref}}\\ I_{\text {n}j\text {ref }}=-I_{\text {dcref }}-I_{\text{b}\_ \text {dc}j\text {ref }}+i_{\text{a}\_ \text {n}j\text {ref }}+\frac{1}{2} i_{\text{s} jq \text {ref }}-i_{\text{cir}\_ j\text {ref }}\\ \end{gathered} \right. $ | (29) |
经图9综合控制输出的上、下桥臂电压参考值upjref和unjref进一步叠加交直流侧电压,最终输出的上、下桥臂调制波指令值为:
| $ \left\{\begin{gathered} u_{\text{p}j\text{ref}}=u_{\text{po}}+u_{\text{r} j}+\frac{1}{2} U_{\text{dc}}-u_{\text{s} j} \\ u_{\text{n}j\text{ref}}=u_{\text{no}}+u_{\text{r} j}+\frac{1}{2} U_{\text{dc}}+u_{\text{s} j}\\ \end{gathered}\right. $ | (30) |
为验证文中所述控制方法的有效性,在MATLAB/Simulink中搭建图9所示整体控制模型进行仿真,系统仿真参数如表1所示。在分析PLL运行效果的同时,分析不同控制方法在正常工况、桥臂参数不对称工况以及高低电压穿越工况下的波形效果。
|
|
表 1 系统仿真参数 Table 1 System simulation parameters |
当短路比值SSCR=3.3时,正常工况波形如图10所示。由图10(a)可知,采用文中方法时,直流侧电压始终保持在指令值20 kV左右。图10(b)中,内环采用PI控制方法,其网侧电流总谐波畸变率为2.08%,但三相环流较大,没能得到很好的滤除,且上、下桥臂电流不对称,直流侧的电压及电流均含有明显谐波。相比之下,文中方法得出的网侧电流总谐波畸变率为0.49%,环流谐波得到有效抑制,直流侧电压和电流谐波小,验证了所提方法适应弱电网的性质。
|
图 10 弱电网下正常工况波形 Fig. 10 Normal operating waveforms under weak grid |
当SSCR=3.3时,设置0.3 s交流电网a相电压发生50%的不对称跌落,0.5 s时恢复正常,采用传统同步旋转坐标系PLL(synchronous reference frame phase-locked loop,SRF-PLL)、改进DSOGI-PLL、DSOGI-PLL得到的锁相误差和频率波形如图11所示。SRF-PLL锁相误差波动较大,频率响应速度较慢;DSOGI-PLL虽能在故障发生后迅速跟踪电网频率,但其在切换瞬间频率均有剧烈波动,且在稳定后仍存在锁相误差;而改进DSOGI-PLL能够在故障切换瞬间保持较小的误差,精确跟踪电网频率,且锁相误差接近于0。
|
图 11 低压穿越工况的PLL运行波形对比 Fig. 11 Comparison of PLL operating waveforms under low voltage ride-through condition |
图12为同样条件下,设置0.3 s交流电网发生3%的3次谐波、3%的5次谐波和2%的7次谐波畸变,0.5 s时恢复正常。综合锁相误差和频率来看,在交流电网谐波畸变和低压穿越工况下,文中所提改进DSOGI-PLL的锁相误差和频率基本不受复杂工况的影响,可以快速准确地完成锁相并获得电压频率等信息。
|
图 12 谐波畸变工况的PLL运行波形对比 Fig. 12 Comparison of PLL operating waveforms under harmonic distortion condition |
设a相上桥臂电感和电阻分别为0.06 H和0,下桥臂电感和电阻分别为0.02 H和0.5 Ω,其余参数保持不变。桥臂参数不对称工况下的波形如图13所示,此时2种方法的直流侧电流存在基频和三倍频波动,上、下桥臂电流存在不对称的现象,但直流侧电压和交流侧电压没有明显变化。对比发现,采用文中方法时电流追踪效果更好,交流侧电流的总谐波畸变率为0.91%;采用传统PI方法时交流侧电流的总谐波畸变率为2.59%,且环流存在明显的谐波。文中方法可以抑制环流谐波,且直流侧电压及电流波动较小,表明该方法能够有效解决弱电网下桥臂参数不对称的交流侧、直流侧电流耦合问题,提高端口电能质量。
|
图 13 桥臂参数不对称工况波形 Fig. 13 Arm parameter asymmetrical condition waveforms |
为模拟交流电网高低压穿越的非对称故障,在短路比值SSCR=3.3下,分别设置0.3 s—0.4 s交流电网a相电压跌落50%,0.5 s—0.6 s交流电网a相电压暂升20%,得到的高低压穿越工况波形如图14所示。
|
图 14 高低压穿越工况波形 Fig. 14 High and low voltage ride-through condition waveforms |
在交流电网非对称故障期间,由于桥臂输出负序电压,各相的直流环流大小不再相等。交流侧电流始终能够保持良好的正弦波形,三相子模块电容电压平均值UCj_avg以及上、下桥臂子模块电容电压平均值UCpa_avg、UCna_avg基本对称,均能快速跟踪指令值,且维持在
文中基于MMC拓扑采用了一种交流侧电流控制与环流抑制相结合的运行控制策略,包括直流母线控制,相间上、下桥臂电容电压控制,基于PI和准PR并联控制的桥臂电流控制以及内环的多谐振抑制。提出了一种有功功率再分配的MMC电容电压均衡方法,研究了均压控制对MMC高低压穿越的影响,得到以下结论:
(1) 改进DSOGI-PLL在低压穿越及电网谐波畸变下均可准确锁相,在弱电网中非理想电网下的锁相性能具有较好的适用性。
(2) 相比传统的电流控制,所提方法可以大大降低控制系统的复杂度,并实现对交流侧电流、直流母线电流的可靠控制以及内部环流抑制。
(3) 提出的均衡控制策略能够实现各相电容电压以及上、下桥臂电容电压均衡;基于PI和准PR并联控制的桥臂电流控制具备精确跟踪指令值的能力和良好的谐波抑制效果,在弱电网下能够保持交流侧电流对称,有效保障了故障穿越过程中子模块动态电容电压平衡。
文中所提运行控制技术能够在弱电网环境下改善传统方法的振荡失稳问题,对于弱电网的高低压穿越具有一定的参考意义。
| [1] |
SONG G B, HOU J J, GUO B, et al. Pilot protection of hybrid MMC DC grid based on active detection[J]. Protection and Control of Modern Power Systems, 2020, 5(1): 6. DOI:10.1186/s41601-020-0152-2 ( 0) |
| [2] |
利用虚拟电阻提高接入弱交流电网的MMC小信号稳定性控制方法[J]. 中国电机工程学报, 2015, 35(15): 3794-3802. YUAN Bin, XU Jianzhong, ZHAO Chengyong, et al. A virtual resistor based control strategy for enhancing the small-signal stability of MMC integrated in weak AC system[J]. Proceedings of the CSEE, 2015, 35(15): 3794-3802. ( 0) |
| [3] |
连接无源网络的LCC-FHMMC混合直流输电系统送端交流故障穿越控制策略[J]. 高压电器, 2024, 60(3): 151-160. ZHU Bo, XU Panteng, CUI Yuanzhuo, et al. AC fault ride-through control strategy for LCC-FHMMC hybrid HVDC system with passive network[J]. High Voltage Apparatus, 2024, 60(3): 151-160. ( 0) |
| [4] |
娄伟涛. LCC-MMC混合直流输电系统送端交流故障穿越控制策略研究[D]. 吉林:东北电力大学,2022. LOU Weitao. Research on AC fault ride-through control strategy for sending end of LCC-MMC hybrid DC transmission system[D]. Jilin:Northeast Electric Power University,2022. ( 0) |
| [5] |
弱电网且谐波畸变背景下分布式电源并网系统谐振抑制[J]. 电力系统保护与控制, 2023, 51(5): 1-10. JIN Guobin, XIE Fei, LI Guoqing, et al. Resonance suppression of a distributed power grid-connected system in a weak grid and with harmonic distortion background[J]. Power System Protection and Control, 2023, 51(5): 1-10. ( 0) |
| [6] |
弱电网条件下分布式光伏并网系统谐振机理及影响特性[J]. 电力建设, 2024, 45(3): 149-159. CAO Wenjun, ZHANG Yan, ZHANG Anbin, et al. Resonance mechanism and influence characteristics of distributed photovoltaic grid-connected system under weak grid conditions[J]. Electric Power Construction, 2024, 45(3): 149-159. ( 0) |
| [7] |
计及直流侧大电感的MMC建模与控制[J]. 中国电机工程学报, 2021, 41(12): 4261-4274. SHI Xianqiang, CAI Xu, YAO Weizheng, et al. Modeling and control of the MMC with consideration of large reactors on its DC side[J]. Proceedings of the CSEE, 2021, 41(12): 4261-4274. ( 0) |
| [8] |
周赟. MMC并网系统稳定性分析及控制参数优化[D]. 南京:东南大学,2021. ZHOU Yun. Stability analysis and control parameter optimization for MMC-based grid-connected system[D]. Nanjing:Southeast University,2021. ( 0) |
| [9] |
混合型MMC接入弱交流电网稳定性分析及控制参数优化[J]. 电力系统自动化, 2020, 44(16): 70-78. LU Xiaojun, XIANG Wang, LIN Weixing, et al. Stability analysis and control parameter optimization for hybrid modular multilevel converter connected to weak AC system[J]. Automation of Electric Power Systems, 2020, 44(16): 70-78. ( 0) |
| [10] |
考虑频率耦合的MMC序阻抗建模及附加陷波器阻抗重塑方法[J]. 电力系统保护与控制, 2024, 52(9): 46-58. ZHANG Yuhua, ZHOU Jing, WANG Yufei, et al. Modeling of MMC sequence impedance considering frequency coupling and impedance reshaping with additional Notch filter[J]. Power System Protection and Control, 2024, 52(9): 46-58. ( 0) |
| [11] |
不平衡电网下并网逆变器阻抗建模及稳定性分析[J]. 高电压技术, 2023, 49(12): 5196-5206. XIE Bao, LI Pingyu, SU Jianhui, et al. Impedance modeling and stability analysis of grid-connected inverter under unbalanced grid[J]. High Voltage Engineering, 2023, 49(12): 5196-5206. ( 0) |
| [12] |
李国庆,王晓雪,江守其,等. 基于混合型MMC的柔性直流电网故障穿越协同控制策略[J/OL]. 电网技术:1-10[2024-02-06]. https://doi.org/10.13335/j.1000-3673.pst.2023.0318. LI Guoqing,WANG Xiaoxue,JIANG Shouqi,et al. Coordinated control strategy of fault ride-through for DC grid based on hybrid MMC[J/OL]. Power System Technology:1-10[2024-02-06]. https://doi.org/10.13335/j.1000-3673.pst.2023.0318. ( 0) |
| [13] |
基于混合型MMC的柔性直流电网故障电流阻断控制策略[J]. 高压电器, 2024, 60(6): 148-155,165. ZHU Bo, XU Panteng, WANG Xiaoxue, et al. Fault current blocking control strategy for DC grid based on hybrid MMC[J]. High Voltage Apparatus, 2024, 60(6): 148-155,165. ( 0) |
| [14] |
王晓雪. 基于混合型MMC的直流电网故障穿越协同控制策略[D]. 吉林:东北电力大学,2023. WANG Xiaoxue. Coordinated control strategy of fault ride-through for DC grid based on hybrid MMC[D]. Jilin:Northeast Electric Power University,2023. ( 0) |
| [15] |
基于桥臂电流控制的MMC改进电容电压均衡控制策略研究[J]. 高电压技术, 2022, 48(8): 3132-3145. LAI Jinmu, YIN Xianggen, WANG Yaoqiang, et al. Improved capacitor voltage balancing control strategy for modular multilevel converter with arm current control[J]. High Voltage Engineering, 2022, 48(8): 3132-3145. ( 0) |
| [16] |
蔡洁. 模块化多电平柔性直流输电交流侧故障穿越与控制策略研究[D]. 长沙:长沙理工大学,2018. CAI Jie. Research on fault pass-through and control strategy in AC side of modular multilevel high voltage direct current transmission system[D]. Changsha:Changsha University of Science & Technology,2018. ( 0) |
| [17] |
LIU S Q, SAEEDIFARD M, WANG X F. Analysis and control of the modular multilevel matrix converter under unbalanced grid conditions[J]. IEEE Journal of Emerging and Selected Topics in Power Electronics, 2018, 6(4): 1979-1989. DOI:10.1109/JESTPE.2018.2812723 ( 0) |
| [18] |
全桥型MMC-HVDC直流短路故障穿越控制保护策略[J]. 中国电机工程学报, 2016, 36(7): 1933-1943. LUO Yongjie, LI Yaohua, LI Zixin, et al. DC short-circuit fault ride-through control strategy of full-bridge MMC-HVDC systems[J]. Proceedings of the CSEE, 2016, 36(7): 1933-1943. ( 0) |
| [19] |
MMC-HVDC电网输电线路双极短路故障电流的实用计算[J]. 电力系统自动化, 2020, 44(5): 68-76. HAO Liangliang, LI Weijie, WANG Zhuoya, et al. Practical calculation for bipolar short-circuit fault current of transmission line in MMC-HVDC grid[J]. Automation of Electric Power Systems, 2020, 44(5): 68-76. DOI:10.7500/AEPS20190729015 ( 0) |
| [20] |
SU L,YAN A X,HE M X,et al. AC-DC bidirectional fault ride-through control strategy of flexible DC distribution network based on MMC active current limiting[C]//2022 IEEE 5th International Electrical and Energy Conference (CIEEC). Nangjing,China. IEEE,2022:1381-1386.
( 0) |
| [21] |
交流侧不对称故障下柔性直流输电系统优化控制研究[J]. 湖南大学学报(自然科学版), 2022, 49(8): 159-168. XIA Xiangyang, YI Haigan, XIA Tian, et al. Research on optimal control of MMC-HVDC system under AC side asymmetric fault[J]. Journal of Hunan University (Natural Sciences), 2022, 49(8): 159-168. DOI:10.55463/issn.1674-2974.49.8.18 ( 0) |
| [22] |
模块化多电平变流器电容电压均衡策略研究进展[J]. 电网技术, 2023, 47(1): 322-338. ZHOU Yiyuan, QIN Liang, YANG Shiqi, et al. Research progress of capacitor voltage balancing strategies for modular multilevel converters[J]. Power System Technology, 2023, 47(1): 322-338. ( 0) |
| [23] |
OU Z J,WANG G Z,FENG J Z. Two control strategies of modular multilevel converter in rectifier side based on arm current under unbalanced voltage condition[C]//2015 5th International Conference on Electric Utility Deregulation and Restructuring and Power Technologies (DRPT). Changsha,China. IEEE,2015:2281-2286.
( 0) |
| [24] |
基于桥臂电流控制的模块化多电平变换器综合控制策略[J]. 中国电机工程学报, 2015, 35(2): 458-464. WANG Guangzhu, SUN Changpeng, LIU Rufeng, et al. Modular multilevel converter control strategy based on arm current control[J]. Proceedings of the CSEE, 2015, 35(2): 458-464. ( 0) |
| [25] |
电网电压不对称工况下模块化多电平变换器控制策略[J]. 中国电机工程学报, 2018, 38(1): 258-265,363. OU Zhujian, WANG Guangzhu. Modular multilevel converter control strategy under unbalanced grid condition[J]. Proceedings of the CSEE, 2018, 38(1): 258-265,363. ( 0) |
| [26] |
电网不对称故障下MMC自适应相功率均衡控制策略[J]. 电力系统保护与控制, 2024, 52(1): 1-12. YU Ji, YIN Xianggen, LAI Jinmu, et al. Adaptive leg-balancing control strategy of an MMC in an asymmetric AC grid fault[J]. Power System Protection and Control, 2024, 52(1): 1-12. ( 0) |
| [27] |
闫志星. 弱电网条件下提高并网逆变器稳定性的新型锁相环结构[D]. 秦皇岛:燕山大学,2022. YAN Zhixing. A new phase-locked loop structure to enhance converter stability in weak grids[D]. Qinhuangdao:Yanshan University,2022. ( 0) |
| [28] |
不同锁相环对LCC-HVDC控制回路稳定性的影响[J]. 电网技术, 2024, 48(3): 1202-1217. LIU Juntao, WANG Juanjuan, YE Yunming, et al. Influence of different PLLs on stability of LCC-HVDC control loop[J]. Power System Technology, 2024, 48(3): 1202-1217. ( 0) |
| [29] |
光伏发电并网同步锁频环技术研究[J]. 电力系统保护与控制, 2018, 46(5): 54-61. YANG Xuhong, GUO Kai. Research on synchronization frequency locked loop of PV power system[J]. Power System Protection and Control, 2018, 46(5): 54-61. ( 0) |
| [30] |
基于改进型二阶广义积分器的锁相环研究[J]. 电气技术, 2022, 23(9): 14-18,28. GUO Yichen, LU Wenzhou. Research on phase-locked loop based on improved second-order generalized integrator[J]. Electrical Engineering, 2022, 23(9): 14-18,28. DOI:10.3969/j.issn.1673-3800.2022.09.003 ( 0) |
| [31] |
基于新型锁相环下并网逆变器的优化控制策略[J]. 供用电, 2024, 41(9): 107-116. LI Yuanhao, WANG Xinhuan, LI Mengqi. Optimal control strategy of grid connected inverters based on a novel phase-locked loop[J]. Distribution & Utilization, 2024, 41(9): 107-116. ( 0) |
| [32] |
一种基于双定频SOGI与交叉补偿的三相锁相环设计方法[J]. 电力系统保护与控制, 2024, 52(12): 133-142. GUO Leilei, YE Qingyang, JIN Nan, et al. A three-phase phase-locked loop design method based on improved frequency-fixed DSOGI and cross-compensation[J]. Power System Protection and Control, 2024, 52(12): 133-142. ( 0) |
2. PetroChina Planning & Engineering Institute,Beijing 100083,China
2025, Vol. 44



0)