文章编号: 2096-3203(2024)06-0033-10 中图分类号: TM41
近年来,能源结构逐渐转型,风能、光能等可再生能源以及直流负荷在配电网中的应用日益广泛,影响传统配电网的运行稳定性。随着城市负荷多样性需求不断提高,用户对电能稳定性、高效性和经济性的要求也日益增高,兼具可靠性、安全性和稳定性的交直流混合配电网是未来配电网发展的重要形式[1-5]。
固态变压器(solid-state transformer, SST)具有多电压等级接入、高频隔离和控制灵活等特征,在交直流混合配电网中极具应用潜质[6-11]。SST具备多电压等级、多电压形态的端口,使得电能可在交直流、高低压端口之间进行传输。尽管SST具有很强的性能优势,但电力电子装置价格昂贵,且现有SST功率密度及转换效率都较低[12],限制了其在交直流混合配电网中的发展。因此,从减少SST功率变换级数和SST模块数量的角度出发,研究具有高功率密度、高转换效率且含中压直流(medium voltage direct current, MVDC)端口的SST十分必要。
模块化多电平换流器(modular multi-level converter, MMC)能够通过电压源变换器的共模、差模连接方式构造出中压直流端口,已被用于构造面向交直流混合配电网应用的MMC-SST输入级。根据MMC-SST中间级双向有源全桥(dual active bridge, DAB)变换器连接方式的不同,主要有2种代表性拓扑。一是输入串联输出并联(input series output parallel, ISOP)型MMC-SST,即将DAB构造成ISOP结构作为SST的中间级与输入级MMC的中压直流(medium voltage direct current,MVDC)端口相连[13-17];二是DAB型MMC-SST,即在输入级MMC的每一个子模块后接入一个DAB[18-23],形成子模块(submodule,SM)-DAB模块。在ISOP型MMC-SST中,使用到的DAB数量较少,SST具备较高的功率密度。DAB型MMC-SST拓扑具有控制灵活、易于实现冗余容错等优点,然而每个子模块的直流侧都需要连接DAB,故在中压配电网中使用时,需要大量的开关器件。并且传统半桥子模块(half bridge submodule, HBSM)结构的DAB型MMC-SST无法清除短路故障电流。
一些改进结构可抑制短路故障电流或使SST具备故障电流阻断能力[24-32]。文献[24-28]从输入级MMC的子模块出发,将HBSM替换成全桥子模块(full bridge submodule, FBSM)、钳位双子模块[24]、增强型混合子模块[25]、单钳位子模块[26],移位FBSM[27],反并联绝缘栅双极晶体管(insulated-gate bipolar transistor, IGBT)子模块[28]等具备负压输出能力的子模块。文献[29-32]从MMC的整体结构着手,通过增加额外支路实现故障电流清除,或者通过在故障时刻增加回路电阻、电感抑制故障电流峰值,缩短故障电流清除时间。此类改进型拓扑均需要增加额外开关器件,增加了DAB型MMC-SST的建设成本。
综上所述,与ISOP型MMC-SST相比,现有DAB型MMC-SST虽然可以阻断直流短路故障,但也存在着开关器件多、投资成本高等问题。因此,文中对传统DAB型MMC-SST的拓扑进行改进,提出基于钳位子模块的开关对复用(clamped switch pair integrated submodule, CSPI)型MMC-SST拓扑,通过开关对复用,有效减少开关元件数量,降低DAB型MMC-SST投资成本。此外,为确保拓扑中的高频变压器能够正常工作,文中采用一种子模块混频调制方法。根据拓扑中MMC端口和DAB端口的结构特性,基于共模差模频率解耦原理,无须添加额外的滤波电路,可实现高频、低频解耦,进一步提高SST的功率密度,具有更高的经济性。最后,在MATLAB/Simulink中对所提拓扑及控制方法的有效性进行仿真验证。
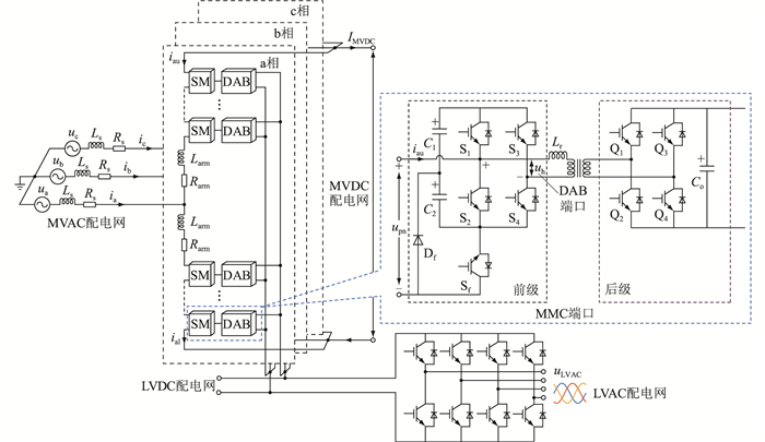
1 CSPI型MMC-SST拓扑文献[33]给出了传统DAB型MMC-SST的通用拓扑,文中所提CSPI型MMC-SST对上述拓扑中的SM-DAB模块进行改进,CSPI拓扑如图 1所示。在CSPI中,高频变压器T左侧为前级电路,右侧为后级电路,CSPI型MMC-SST由多个CSPI前级串联后级并联组成。在前级电路中,开关管S1和S2串联构成开关对1,开关管S3和S4串联构成开关对2,电容C1和C2串联构成电容桥臂。在此基础上,保护开关管Sf串联在开关对1中且与S1、S2串联方向相反,保护二极管Df将Sf的下端点与电容桥臂的中点连接起来。后级电路与传统DAB型MMC-SST子模块的后级电路结构相同,由开关管Q1—Q4构成的H桥整流电路和一个输出并联电容Co组成。开关对1、电容桥臂、保护开关管Sf和保护二极管Df共同构成了MMC子模块中的二极管钳位子模块结构[34];开关对1、开关对2、电容桥臂、高频变压器、高频变压器的漏感Lr和后级电路共同构成了DAB结构。从开关对1的中点和Sf的下端点引出连接线构成MMC端口,从开关对1的中点和开关对2的中点引出连接线构成DAB端口。可见,文中所提CSPI型MMC-SST在DAB型MMC-SST的基础上复用了一对开关对,从而减少了开关器件。
|
图 1 CSPI拓扑 Fig. 1 The topology of CSPI |
就CSPI型MMC-SST与传统DAB型MMC-SST在元器件数量以及是否具备故障阻断能力两方面进行比较,具体结果如表 1所示。其中,N为SST桥臂中包含的子模块数目。传统DAB型MMC-SST拓扑如图 2所示。在DAB型MMC-SST中,HBSM型拓扑不具备故障阻断能力,FBSM型拓扑虽具备故障阻断能力,但相对HBSM型拓扑所使用的元器件数量有所增多。文中所提CSPI型MMC-SST不仅具备故障阻断能力,且与HBSM型拓扑相比,使用的开关管数量更少。同时,随着开关管数量的减少,所使用的驱动电路、保护电路和开关电源等辅助电路一并减少。由于辅助电路的减少,单元与控制器通信的需求也相应降低。这些对于单元数量庞大的装置来说,不仅可以有效降低硬件复杂度,也通过减少硬件配置降低了装置故障率。
|
|
表 1 CSPI型MMC-SST与传统DAB型MMC-SST对比 Table 1 Comparison of CSPI-type MMC-SST and conventional DAB-type MMC-SST |
|
图 2 传统DAB型MMC-SST拓扑 Fig. 2 Conventional DAB-type MMC-SST topology |
综上所述,文中所提CSPI型MMC-SST拓扑使用较少的元器件便可让SST具备故障阻断的能力,与传统DAB型MMC-SST拓扑相比,更具经济优势和性能优势。
2 正常工况下CSPI型MMC-SST工作原理分析 2.1 CSPI工作模式分析由第1章拓扑分析可知,CSPI中MMC端口输出电压upn由开关器件S1、S2的导通状态决定,DAB端口电压uh由开关器件S1—S4的导通状态决定。在正常工况下,CSPI中开关器件Sf处于恒定导通状态,因此对于输入级MMC而言,由开关对1、电容桥臂以及Sf、Df组成的子模块相当于半桥结构,upn只有0和电容桥臂电压2种情况。在分析中,认为电容C1和C2上的电压均稳定在额定值Uc。正常工况下CSPI前级电路4种工作模式的等效电路如图 3所示。图 3中,R为开关器件的导通电阻;iau为模块MMC端口输入正向电流;ih为DAB端口输出电流。
|
图 3 正常工况下CSPI工作原理示意 Fig. 3 Schematic diagram of CSPI working principle under normal working condition |
(1) 模式1。开关器件S1、S3导通,S2、S4关断。此时流经电容桥臂的电流为iau,电流路径如图 3(a)所示。忽略导通开关器件上的电压,在该模式下MMC端口输出电压upn为2Uc,DAB端口电压uh为0。
(2) 模式2。开关器件S1、S4导通,S2、S3关断。此时流经电容桥臂的电流为iau-ih,电流路径如图 3(b)所示。忽略导通开关器件上的电压,在该模式下MMC端口输出电压upn为2Uc,DAB端口电压uh为2Uc。
(3) 模式3。开关器件S2、S3导通,S1、S4关断。此时流经电容桥臂的电流为ih,电流路径如图 3(c)所示。忽略导通开关器件上的电压,在该模式下MMC端口输出电压upn为0,DAB端口电压uh为-2Uc。
(4) 模式4。开关器件S2、S4导通,S1、S3关断。此时电容桥臂被旁路,电流路径如图 3(d)所示。忽略导通开关器件上的电压,在该模式下MMC端口输出电压upn为0,DAB端口电压uh为0。
由上述分析可知,正常工况下,在CSPI的MMC端口可以得到一个高电平为2Uc、低电平为0的两电平电压波形;在DAB端口可以得到一个正负幅值均为2Uc的三电平电压波形。
2.2 CSPI混频调制在MMC-SST正常工作时,MMC端口要连接低频的交流电网,而DAB端口要连接高频变压器,开关对1的调制信号中需要同时包含高频分量和低频分量。因此须消除开关对1中高频信号对MMC端口的影响以及低频信号对DAB端口的影响。
文中基于混频调制原理[35],通过构造互补子模块对消除MMC桥臂输出电压高频分量的差模。具体实现方法为在输入级MMC的桥臂中定义一个与CSPI对应的高频消除CSPI1,组成互补子模块对。CSPI1中开关对1的调制波直流分量和基频分量与CSPI相同,高频分量与CSPI相反。CSPI模块开关对1的调制信号为:
| $ u_{\mathrm{r}}(t)=1+\frac{m_1}{2} \sin \left(\omega_1 t+\theta_1\right)+\frac{m_2}{2} \sin \left(\omega_2 t+\theta_2\right) $ | (1) |
式中:m1、m2分别由MVDC端口以及低压直流(low voltage direct current, LVDC)端口的功率需求决定,且满足|m1+m2|≤2;m1/2、ω1、θ1分别为低频调制波的调制比、角频率和初相角;m2/2、ω2、θ2分别为高频调制波的调制比、角频率和初相角。根据文献[35]推导MMC端口输出电压的傅里叶级数表达式并进行分析。由于MMC端口连接基频交流电,可以在桥臂内对高频信号进行解耦。由MMC-SST拓扑可知,桥臂内各个CSPI模块的MMC端口串联,由差模解耦原理即可消除高频电压分量。因此,令每个桥臂CSPI模块的数量为偶数,且两两高频分量互补,直流分量和基频分量相同,即可保证在低频交流信号不受影响的前提下消除高频电压信号。与CSPI互补的高频消除CSPI1开关对1的调制信号表达式为:
| $ u_{\mathrm{r} 1}(t)=1+\frac{m_1}{2} \sin \left(\omega_1 t+\theta_1\right)-\frac{m_2}{2} \sin \left(\omega_2 t+\theta_2\right) $ | (2) |
进而得到CSPI模块和高频消除CSPI1模块串联后的MMC桥臂输出电压表达式为:
| $ u_{\mathrm{pn}}(t)=2 U_{\mathrm{c}}\left(1+\frac{m_1}{2} \sin \left(\omega_1 t+\theta_1\right)\right) $ | (3) |
分析可知,该调制方法可以实现MMC桥臂输出电压的高频消除,具体方法示意如图 4所示。
|
图 4 MMC桥臂输出电压高频分量消除示意 Fig. 4 Schematic diagram of high frequency component elimination for MMC bridge arm output voltage |
由CSPI拓扑原理可知,DAB端口与高频变压器相连,为确保高频变压器正常工作,DAB端口必须要输出高频电压。DAB端口由开关对1和开关对2的中点引出线构成,由于开关对1中同时包含高频和低频2种频率的调制信号,故开关对2的调制信号也必须同时含有高频和低频的调制信号。CSPI的DAB端口输出电压属于差模电压,其值等于开关对1输出电压减去开关对2输出电压,因此开关对2的调制信号采用开关对1的共模直流和低频调制信号、差模高频调制信号,开关对2的混频调制信号为:
| $ \begin{gathered} u_{\mathrm{r} 2}(t)=u_{\mathrm{r} 1}(t)= \\ 1+\frac{m_1}{2} \sin \left(\omega_1 t+\theta_1\right)-\frac{m_2}{2} \sin \left(\omega_2 t+\theta_2\right) \end{gathered} $ | (4) |
进而得到DAB的端口输出电压为:
| $ u_{\mathrm{h}}(t)=m_2 U_{\mathrm{c}} \sin \left(\omega_2 t+\theta_2\right) $ | (5) |
由式(5)可知,在开关对2中采用开关对1的共模直流和低频调制信号、差模高频调制信号,可以使DAB端口仅输出高频电压信号。DAB端口输出电压低频分量消除方法示意如图 5所示。
|
图 5 DAB端口输出电压低频分量消除示意 Fig. 5 Schematic diagram of low frequency component elimination for DAB port output voltage |
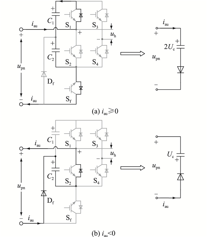
当MVDC侧发生直流短路故障时,为避免短路电流过大对SST产生影响,需要在短时间内清除短路电流,将MVDC端口电压降为0。文中所提拓扑通过MMC端口清除直流短路故障电流,故在分析直流短路故障清除工作原理时只给出MMC端口部分电路。
在检测到直流短路故障发生后,立即闭锁所有开关器件。直流短路故障时CSPI工作原理及闭锁等效电路如图 6所示。当桥臂电流iau≥0时,CSPI中的电容C1和电容C2相当于串联,桥臂电流给两电容充电,upn为2Uc,CSPI相当于一个电压大小为2Uc的子模块电容和二极管串联接在电路中。当桥臂电流iau < 0时,CSPI中只有电容C2接入回路中,upn为Uc,CSPI相当于一个电压大小为Uc的子模块电容和二极管串联接在电路中。
|
图 6 直流短路故障时CSPI工作原理及闭锁等效电路 Fig. 6 Operation principle and blocking equivalent circuit of CSPI when DC short-circuit fault occurs |
将文中所提CSPI型MMC-SST拓扑用图 6的闭锁等效电路替换,每个桥臂子模块总数为N,得到图 7所示的CSPI短路故障电流路径。对a、c两相进行分析。
|
图 7 CSPI短路故障电流路径 Fig. 7 Short circuit fault current path of CSPI |
设MVDC侧正极对负极的的电压为Udc,在分析中认为CSPI中电容C1和C2上的电压均稳定在额定值Uc,交流系统线电压峰值为Uac,导通的二极管承受的正向电压为Udiode。
当桥臂电流iau≥0时,如图 7(a)所示,可以得到:
| $ U_{\mathrm{dc}}=2 N U_{\mathrm{c}} $ | (6) |
| $ U_{\text {diode }}=U_{\mathrm{ac}}-2 N U_{\mathrm{c}} $ | (7) |
当桥臂电流iau < 0时,如图 7(b)所示,可以得到:
| $ U_{\mathrm{dc}}=N U_{\mathrm{c}} $ | (8) |
| $ U_{\text {diode }}=U_{\mathrm{ac}}-N U_{\mathrm{c}} \mathrm{C} $ | (9) |
正常工作时,调制度小于等于1,因此可以得到:
| $ U_{\mathrm{ac}} \leqslant \frac{\sqrt{3}}{2} U_{\mathrm{dc}} $ | (10) |
当桥臂电流iau≥0时,将式(10)代入式(6)、式(7)中,得到:
| $ U_{\text {diode }} \leqslant 2 N U_{\mathrm{c}}\left(\frac{\sqrt{3}}{2}-1\right) $ | (11) |
同理,当桥臂电流iau < 0时,得到:
| $ U_{\text {diode }} \leqslant\left(\frac{\sqrt{3}}{2}-1\right) N U_{\mathrm{c}} $ | (12) |
由式(11)、式(12)可以看出,无论桥臂电流方向为正还是负,导通的二极管承受的正向电压都为负,二极管都无法导通,也就不存在图 7中的短路故障电流路径。由图 7可知,当所有开关器件闭锁后,桥臂中的电流是电感放电电流,其通过二极管向子模块电容充电并迅速下降。这使得系统可以在不断开交流断路器的情况下消除直流故障电流。此外,由于子模块电容在系统进入闭锁状态后被故障电流充电,电容电压不会下降到很低的水平,这对故障后重新启动非常有利。
4 仿真验证为验证文中所提CSPI型MMC-SST拓扑及相应的基于共模、差模解耦的混频调制策略的有效性,基于MATLAB/Simulink搭建相应的仿真模型。仿真所采用的拓扑由输入级MMC、中间级DAB和输出级3个部分组成。其中输入级MMC提供了中压交流(medium voltage alternating current, MVAC)端口和MVDC端口,MVAC端口与三相交流电网相连,MVDC端口直接与负载相连;中间级DAB的输出并联形成LVDC端口,LVDC端口直接与负载相连;在LVDC端口上连接三相逆变器,提供了低压交流(low voltage alternating current, LVAC)端口,输出级逆变器不会对整体的控制产生影响,故在仿真中没有给出。CSPI型MMC-SST的电路参数如表 2所示,仿真验证所采用的拓扑如图 8所示。
|
|
表 2 CSPI型MMC-SST的电路参数 Table 2 Circuit parameters of CSPI-type MMC-SST |
|
图 8 CSPI型MMC-SST仿真拓扑 Fig. 8 Simulation topology of CSPI-type MMC-SST |
为说明文中所提CSPI型MMC-SST拓扑及相应控制方法的有效性,分别在正常工况和直流短路故障工况下对其进行仿真验证。
4.1 正常工况为验证文中所提CSPI型MMC-SST在正常工况下运行时具有良好的动态性能,在3 s时LVDC侧发生负载突变,则正常工况下的仿真结果如图 9所示。
|
图 9 正常工况下的仿真结果 Fig. 9 Simulation results under normal working condition |
图 9(a)和图 9(b)分别为CSPI频率解耦后的MMC端口输出电压波形和DAB端口电压波形。由仿真结果可知,MMC端口输出电压为三电平电压波形,直流电压偏置为2Uc,电压频率与MVAC端口频率保持一致。DAB端口输出电压为高频脉冲电压波形,其正负幅值均为2Uc,电压频率与高频调制信号频率相同。文中所提CSPI采用混频调制策略,无需滤波电路便可实现高频调制信号与低频调制信号的解耦,与2.2节中的分析一致。
图 9(c)—图 9(f)分别为CSPI型MMC-SST的LVDC端口电压波形、MVDC端口电压波形、MVAC端口三相电流波形以及a相单个CSPI模块电容C1、C2的电压波形。从SST的3个端口仿真结果可知,在LVDC侧发生功率突变前后,文中所提CSPI型MMC-SST均可保持正常工作,且在整个动态变化过程中,SST的各个端口均能保持较好的稳定性。三相交流电流平稳增加,MVDC端口电压波动仅为额定值的2%,LVDC端口电压波动仅为额定值的10%。当系统处于稳态运行时,MVDC端口、LVDC端口的电压波动幅度不超过额定值的±0.2%,这说明文中所提SST具有良好的稳态性能。
4.2 直流短路故障工况对文中所提CSPI型MMC-SST拓扑在MVDC侧发生直流短路故障下的工况进行验证。在2.99 s时,MVDC端口发生短路故障,短路阻抗为0.1 Ω,系统在3 s时检测到故障,并切换到故障运行工况,直流短路故障工况下的仿真结果如图 10所示。图 10(a)—图 10(d)分别为发生直流短路故障后MVAC端口三相电流波形、a相上下桥臂子模块电容桥臂电压波形、MVDC端口电流波形以及MVDC端口电压波形。
|
图 10 直流短路故障工况下的仿真结果 Fig. 10 Simulation results when DC short-circuit fault occurs |
由图 10可知,直流侧稳态电流约为250 A,电压为20 kV。故障发生后,直流侧电压跌落至0,直流电流在短时间内上升到887 A左右,交流电流和桥臂电流随之增大。大约2.6 ms后,直流侧电流在所有IGBT被阻断的情况下流过电容后迅速下降到0,交流侧电流和桥臂电流也随之下降为0,说明子模块闭锁会阻断交流侧向直流侧馈入能量,故障发生后电容的反向电压使二极管不再具有续流能力,因此交流侧电流和桥臂电流迅速降至0,故文中所提CSPI型MMC-SST拓扑及相应的控制方法可清除直流短路故障。
5 结论针对传统DAB型MMC-SST开关器件过多的问题,文中提出一种具备故障清除能力的CSPI型MMC-SST拓扑,并针对其结构特点提出一种基于共模、差模解耦原理的混频调制方法。通过仿真验证了所提拓扑及控制方法的有效性,主要结论如下:
(1) 文中所提CSPI型MMC-SST拓扑与传统DAB型MMC-SST拓扑相比,利用输入级MMC的结构,通过开关对复用,大量减少了开关器件数目。
(2) 文中所提CSPI型MMC-SST拓扑与HBSM型MMC-SST拓扑相比,可以在提高MMC-SST功率密度的同时具备直流短路故障清除能力,供电可靠性更高。
致谢
本文得到江苏省高校自然科学基金面上项目(22KJB470005)资助,谨此致谢!
| [1] |
王宇鹏, 蒋哲, 武诚, 等. 基于直流短路比的交直流系统送端暂态过电压评估指标研究[J]. 智慧电力, 2023, 51(12): 8-14, 22. WANG Yupeng, JIANG Zhe, WU Cheng, et al. Evaluation index of transient overvoltage in AC/DC sending-end system based on DC short-circuit ratio[J]. Smart Power, 2023, 51(12): 8-14, 22. ( 0) |
| [2] |
龚逊东, 费有蝶, 凌佳凯, 等. 基于深度神经网络伪量测建模的交直流混合配电网交替迭代法状态估计[J]. 电力建设, 2022, 43(10): 111-120. GONG Xundong, FEI Youdie, LING Jiakai, et al. Alternating-iteration state estimation of AC/DC hybrid distribution system based on pseudo-measurement modeling using deep neural network[J]. Electric Power Construction, 2022, 43(10): 111-120. ( 0) |
| [3] |
耿世平, 余敏, 郭晓鹏, 等. 基于柔性变电站的交直流配电技术经济评估[J]. 电力科学与技术学报, 2022, 37(1): 140-150. GENG Shiping, YU Min, GUO Xiaopeng, et al. Technical and economic evaluation of AC and DC distribution based on flexible substation[J]. Journal of Electric Power Science and Technology, 2022, 37(1): 140-150. ( 0) |
| [4] |
侯磊, 常征, 蔡毅, 等. 基于Romberg积分算法的直流配网电能计量方法[J]. 电测与仪表, 2023, 60(5): 186-192. HOU Lei, CHANG Zheng, CAI Yi, et al. Electric energy metering method of DC distribution network based on Romberg integral algorithm[J]. Electrical Measurement & Instrumentation, 2023, 60(5): 186-192. ( 0) |
| [5] |
朱建昆, 高红均, 贺帅佳, 等. 考虑VSC与光-储-充协同配置的交直流混合配电网规划[J]. 智慧电力, 2023, 51(11): 7-14. ZHU Jiankun, GAO Hongjun, HE Shuaijia, et al. AC-DC hybrid distribution network planning considering VSC and photovoltaic-storage-charging coordinated configuration[J]. Smart Power, 2023, 51(11): 7-14. ( 0) |
| [6] |
KOLLI N, PARASHAR S, KOKKONDA R K, et al. A study on the evolution of solid state transformer technologies and applications[C]//2023 11th International Conference on Power Electronics and ECCE Asia (ICPE 2023-ECCE Asia). IEEE, 2023: 126-134.
( 0) |
| [7] |
孙汝羿, 袁至, 王维庆, 等. 含固态变压器新型配电网动态无功多目标优化[J]. 电力系统保护与控制, 2023, 51(16): 104-114. SUN Ruyi, YUAN Zhi, WANG Weiqing, et al. Multi-objective optimization of dynamic reactive power in a new distribution network with a solid state transformer[J]. Power System Protection and Control, 2023, 51(16): 104-114. ( 0) |
| [8] |
张文杰, 吕世轩, 高启瑄, 等. 基于固态变压器的交直流混合配电系统协调运行控制策略[J]. 电力建设, 2023, 44(4): 103-112. ZHANG Wenjie, LÜ Shixuan, GAO Qixuan, et al. Coordinated operation control strategy of AC/DC hybrid distribution system based on solid-state transformer[J]. Electric Power Construction, 2023, 44(4): 103-112. ( 0) |
| [9] |
郑通, 王奎, 郑泽东, 等. 基于MMC拓扑的电力电子变压器研究综述[J]. 中国电机工程学报, 2022, 42(15): 5630-5649. ZHENG Tong, WANG Kui, ZHENG Zedong, et al. Review of power electronic transformers based on modular multilevel converters[J]. Proceedings of the CSEE, 2022, 42(15): 5630-5649. ( 0) |
| [10] |
程静, 赵振民. 基于虚拟同步发电机的固态变压器交流端口柔性控制策略研究[J]. 电力系统保护与控制, 2023, 51(4): 138-147. CHENG Jing, ZHAO Zhenmin. Flexible control strategy for a solid-state transformer AC port based on a virtual synchronous generator[J]. Power System Protection and Control, 2023, 51(4): 138-147. ( 0) |
| [11] |
郭慧, 丁峰, 任林涛, 等. 基于固态变压器的有源配电网自适应模式切换与功率管理[J]. 电力系统保护与控制, 2023, 51(3): 89-98. GUO Hui, DING Feng, REN Lintao, et al. Adaptive mode switching and power management of a solid-state transformer-based active distribution network[J]. Power System Protection and Control, 2023, 51(3): 89-98. ( 0) |
| [12] |
李子欣, 高范强, 徐飞, 等. 中压配电网用10kVac-750Vdc/1MVA电力电子变压器功率密度影响因素研究[J]. 电工电能新技术, 2016, 35(6): 1-6. LI Zixin, GAO Fanqiang, XU Fei, et al. Power density analysis of 10kVac-750Vdc/1MVA power electronic transformer/solid-state transformer for medium voltage distribution grid[J]. Advanced Technology of Electrical Engineering and Energy, 2016, 35(6): 1-6. ( 0) |
| [13] |
ZHANG J P, LIU J Q, YANG J X, et al. A modified DC power electronic transformer based on series connection of full-bridge converters[J]. IEEE Transactions on Power Electronics, 2019, 34(3): 2119-2133. ( 0) |
| [14] |
马大俊, 陈武, 薛晨炀, 等. 低压直流母线AC-DC电力电子变压器及其短路故障穿越方法[J]. 电力系统自动化, 2019, 43(8): 158-166. MA Dajun, CHEN Wu, XUE Chenyang, et al. AC-DC power electronic transformer with low-voltage DC bus and strategy of short-circuit fault ride-through[J]. Automation of Electric Power Systems, 2019, 43(8): 158-166. ( 0) |
| [15] |
刘兴华. ISOP结构的双向隔离DC/DC电力电子变压器[J]. 电力电子技术, 2022, 56(12): 32-36. LIU Xinghua. Bidirectional isolation DC/DC power electronics transformer with ISOP structure[J]. Power Electronics, 2022, 56(12): 32-36. ( 0) |
| [16] |
赵伟, 袁至, 王维庆, 等. 考虑电能质量优化的MMC-SST输入级控制策略[J]. 电力工程技术, 2022, 41(6): 211-220, 238. ZHAO Wei, YUAN Zhi, WANG Weiqing, et al. MMC-SST input-level control strategy considering power quality optimization[J]. Electric Power Engineering Technology, 2022, 41(6): 211-220, 238. ( 0) |
| [17] |
SADAT A R, KRISHNAMOORTHY H S. Fault-tolerant ISOSP solid-state transformer for MVDC distribution[J]. IEEE Journal of Emerging and Selected Topics in Power Electronics, 2021, 9(6): 6985-6996. ( 0) |
| [18] |
高范强, 李子欣, 李耀华, 等. 面向交直流混合配电应用的10 kV-3 MV ·A四端口电力电子变压器[J]. 电工技术学报, 2021, 36(16): 3331-3341. GAO Fanqiang, LI Zixin, LI Yaohua, et al. 10 kV-3 MV ·A four-port power electronic transformer for AC-DC hybrid power distribution applications[J]. Transactions of China Electrotechnical Society, 2021, 36(16): 3331-3341. ( 0) |
| [19] |
TENG J X, SUN X F, PAN Y Z, et al. An inductive-filtering strategy of submodule ripple-power in triple-port MMC-based SST applied to hybrid medium and low voltage AC/DC interface[J]. IEEE Transactions on Power Electronics, 2022, 37(7): 8015-8032. ( 0) |
| [20] |
ZHOU J Q, ZHANG J W, WANG J C, et al. Design and control of power fluctuation delivery for cell capacitance optimization in multiport modular solid-state transformers[J]. IEEE Transactions on Power Electronics, 2021, 36(2): 1412-1427. ( 0) |
| [21] |
章一新, 张建文, 施刚, 等. 一种中压直流短路故障下不间断运行的MMC-SST拓扑及控制[J]. 中国电机工程学报, 2021, 41(6): 2267-2277. ZHANG Yixin, ZHANG Jianwen, SHI Gang, et al. Topology and control strategy for an MMC-SST with uninterrupted power supply capability under medium voltage DC short circuit fault[J]. Proceedings of the CSEE, 2021, 41(6): 2267-2277. ( 0) |
| [22] |
殷展, 杜仁平, 姜黎明, 等. 适用于配电网互联的内联式MMC型固态变压器[J]. 可再生能源, 2021, 39(10): 1387-1393. YIN Zhan, DU Renping, JIANG Liming, et al. Interlink MMC based solid state transformer for distribution grid interconnection[J]. Renewable Energy Resources, 2021, 39(10): 1387-1393. ( 0) |
| [23] |
PEI Z C, KONG D H, LIU C, et al. Hybrid isolated modular multilevel converter based solid-state transformer topology with simplified power conversion process and uneven voltage ratio[J]. IEEE Transactions on Power Electronics, 2023, 38(10): 12757-12773. ( 0) |
| [24] |
戴志辉, 刘雪燕, 何永兴, 等. 基于CDSM-MMC的光伏直流接入系统故障分析[J]. 电力系统保护与控制, 2019, 47(19): 14-22. DAI Zhihui, LIU Xueyan, HE Yongxing, et al. DC-fault analysis on CDSM-MMC based PV integration system[J]. Power System Protection and Control, 2019, 47(19): 14-22. ( 0) |
| [25] |
李帅, 郭春义, 赵成勇, 等. 一种具备直流故障穿越能力的低损耗MMC拓扑[J]. 中国电机工程学报, 2017, 37(23): 6801-6810, 7071. LI Shuai, GUO Chunyi, ZHAO Chengyong, et al. A novel MMC topology with lower power loss and DC fault ride-through capability[J]. Proceedings of the CSEE, 2017, 37(23): 6801-6810, 7071. ( 0) |
| [26] |
王朝亮, 许建中, 赵成勇, 等. 基于单箝位型子模块的MMC及拓扑改进方案[J]. 电力自动化设备, 2015, 35(9): 74-80. WANG Chaoliang, XU Jianzhong, ZHAO Chengyong, et al. MMC based on single-clamp sub-module and improved topology schemes[J]. Electric Power Automation Equipment, 2015, 35(9): 74-80. ( 0) |
| [27] |
王琛, 谭开东, 王毅, 等. 具备直流故障清除和自均压能力的MMC移位全桥子模块拓扑[J]. 电力系统自动化, 2020, 44(24): 151-160. WANG Chen, TAN Kaidong, WANG Yi, et al. Topology of MMC oblique-connection full-bridge sub-module with capability of DC fault clearing and voltage self-balancing[J]. Automation of Electric Power Systems, 2020, 44(24): 151-160. ( 0) |
| [28] |
PENG C, LI R. A low conduction loss modular multilevel converter topology with DC fault blocking capability and reduced capacitance[J]. IEEE Transactions on Circuits and Systems Ⅱ: Express Briefs, 2020, 67(7): 1299-1303. ( 0) |
| [29] |
陈静, 赵涛, 徐友, 等. 一种量化误差可控的少子模块MMC混合调制策略[J]. 电力科学与技术学报, 2023, 38(3): 105-113. CHEN Jing, ZHAO Tao, XU You, et al. A hybrid modulation strategy for MMC with controllable quantization error[J]. Journal of Electric Power Science and Technology, 2023, 38(3): 105-113. ( 0) |
| [30] |
王振浩, 赵家婧, 成龙, 等. 具有直流故障清除能力的主动接地式模块化多电平换流器[J]. 电力系统自动化, 2020, 44(7): 145-152. WANG Zhenhao, ZHAO Jiajing, CHENG Long, et al. Active-grounded modular multilevel converter with DC fault clearing capability[J]. Automation of Electric Power Systems, 2020, 44(7): 145-152. ( 0) |
| [31] |
史明明, 刘瑞煌, 袁宇波, 等. 配电网混合型MMC双极短路故障后快速恢复策略[J]. 电力科学与技术学报, 2023, 38(5): 121-128. SHI Mingming, LIU Ruihuang, YUAN Yubo, et al. Rapid recovery after bipolar short-circuit fault of hybrid MMC in distribution network[J]. Journal of Electric Power Science and Technology, 2023, 38(5): 121-128. ( 0) |
| [32] |
王振浩, 刘婕, 李国庆, 等. 采用桥臂电抗器耦合的MMC直流侧故障过电流抑制新方法[J]. 电力系统保护与控制, 2018, 46(17): 9-15. WANG Zhenhao, LIU Jie, LI Guoqing, et al. A new method of over current suppression based on coupled bridge arm reactors for DC faults of modular multilevel converters[J]. Power System Protection and Control, 2018, 46(17): 9-15. ( 0) |
| [33] |
鄢寅宇, 孙毅超, 郭宛鑫, 等. 具备直流短路故障阻断能力的子模块桥臂复用型模块化多电平固态变压器[J]. 电网技术, 2024, 48(3): 1224-1234. YAN Yinyu, SUN Yichao, GUO Wanxin, et al. Modular multilevel solid state transformer with DC short circuit fault blocking capability with arm integrated submodule[J]. Power System Technolog, 2024, 48(3): 1224-1234. ( 0) |
| [34] |
李笑倩, 刘文华, 杨文博, 等. 基于半压钳位子模块的MMC直流短路故障穿越研究[J]. 电源学报, 2015, 13(6): 1-8. LI Xiaoqian, LIU Wenhua, YANG Wenbo, et al. Research on DC-fault ride through of MMC using half-voltage clamp sub-module[J]. Journal of Power Supply, 2015, 13(6): 1-8. ( 0) |
| [35] |
YAN Y Y, SUN Y C, GUO W X, et al. A novel modular multilevel converter based power electronic transformer with integrated switching pairs[C]//2022 IEEE Energy Conversion Congress and Exposition (ECCE). Detroit, MI, USA. IEEE, 2022: 1-8.
( 0) |
2024, Vol. 43


郭宛鑫(1998), 女, 硕士在读, 研究方向为模块化多电平换流器建模、控制及其在电力系统中的应用(E-mail:
0)