文章编号: 2096-3203(2022)04-0083-08 中图分类号: TM89
基于模块化多电平换流器的高压直流输电技术(modular multi-level converter based high voltage direct current, MMC-HVDC)[1-4]具有结构灵活、输出谐波含量小、可控性高等特点,在国内外得到快速发展[5],并逐步应用于海上风电送出、海岛供电、电网互联、远距离输电、直流电网等领域[6-9]。在国内,柔性直流输电的输送电压、容量也从南汇柔直工程的±30 kV/18 MW、舟山柔直工程的±200 kV/400 MW逐步提升到张北直流电网工程的±500 kV/3 000 MW以及乌东德混合直流工程的±800 kV/5 000 MW,其运行稳定性对电网的影响也逐渐增强[10-11]。
随着柔性直流输电技术理论研究的逐步深入及实际工程的推广应用,电网公司对柔性直流输电系统(简称柔直系统)稳定性及动态性能的要求越来越高[12]。当与柔直系统相连的交流系统出现故障时,柔直系统需要迅速作出响应,不能出现过大的短路电流导致柔直系统闭锁停运,且在故障期间须根据不同的故障情况及电网需求,实现有功持续传输、无功支撑交流电压等功能[13]。针对此情况,常用的控制算法有:瞬时有功-无功控制,灵活正序、负序控制,平均有功-无功控制,正负序控制等[9, 14-15]。瞬时有功-无功控制可精确控制有功、无功,但容易导致网侧电流波形畸变严重; 灵活正序、负序控制可灵活调节参考波中正序、负序分量,主要用于新能源发电,但对系统运行缺少分析; 平均有功-无功控制考虑电网电压负序分量,但未考虑故障电流过大对柔直系统的影响;正负序控制考虑负序电压、电流分量,在确保柔直系统持续运行的情况下,保持与交流系统的功率交换。因而国内外设备厂商和成套设计单位在实际工程中多采用正负序控制,通过对控制所用的电压、电流等进行正负序分解、控制负序电流,来实现柔直系统的故障穿越,但并未考虑正负序分解算法对柔直系统阻抗稳定性的影响。国内外的柔直工程已经出现了多次中高频振荡现象,例如厦门柔直直流侧550 Hz振荡、鲁西工程1 270 Hz及渝鄂联网工程700 Hz和1 800 Hz的高频振荡[16-20]。高频振荡现象的出现严重影响了柔直系统和交流电网的安全稳定运行,因此,研究正负序分解算法对柔直高频特性的影响,保证柔直稳态时的可靠运行,满足柔直系统故障穿越的要求,具有极其重要的现实意义[18-22]。
文中以柔直系统稳态时稳定运行、交流系统不平衡故障时实现故障穿越为目标,针对柔直工程的交流故障穿越功能和高频阻抗特性,分析了柔直系统的正负序控制以及常规的正负序分解算法对阻抗的影响,提出了通过一种适时切换的故障穿越控制方法来实现交流故障穿越,同时确保稳态时系统阻抗平稳,避免高频振荡。最后通过PSCAD离线仿真系统对所提方法进行试验,验证了方法的有效性。
1 柔直系统的正负序分解及其控制柔直系统接入交流电网,当交流系统发生不平衡故障时,系统会产生负序电压分量,从而产生较大的负序电流,恶化柔直系统的控制效果。严重情况下,过大的正、负序电流会导致柔直系统过流跳闸。交流系统不平衡故障时,为实现柔直系统的故障穿越,一般采用正负序电流、电压控制抑制故障时的负序电流分量,维持柔直系统稳定运行。
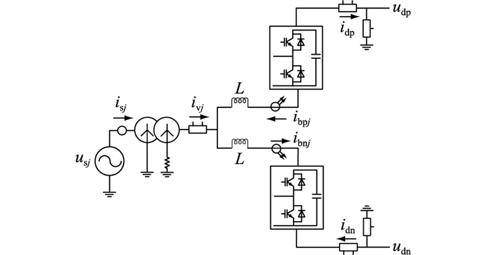
1.1 柔直系统的正负序控制图 1为柔直系统接入交流电网的等效电路。
|
图 1 柔直系统单侧等效电路 Fig. 1 Single-side equivalent circuit of VSC-HVDC system |
图 1中,usj(j=a, b, c)为交流系统的网侧三相电压;uvj为阀侧虚拟电压;isj为网侧三相电流;ivj为阀侧交流三相电流;ibpj, ibnj分别为上、下桥臂的桥臂电流;udp, udn分别为正、负极直流电压;idp, idn分别为正、负极直流电流,箭头方向为各个电流的正方向;L为桥臂电感。按照图 1的参考方向,建立柔直系统与交流系统平衡运行方式下的网侧电流、电压和阀侧电压表达式,如式(1)所示。
| $\left\{\begin{array}{l} L_{\mathrm{eq}} \frac{\mathrm{d} i_{\mathrm{sa}}(t)}{\mathrm{d} t}=u_{\mathrm{sa}}(t)-u_{\mathrm{va}}(t) \\ L_{\mathrm{eq}} \frac{\mathrm{d} i_{\mathrm{sb}}(t)}{\mathrm{d} t}=u_{\mathrm{sb}}(t)-u_{\mathrm{vb}}(t) \\ L_{\mathrm{eq}} \frac{\mathrm{d} i_{\mathrm{sc}}(t)}{\mathrm{d} t}=u_{\mathrm{sc}}(t)-u_{\mathrm{vc}}(t) \end{array}\right. $ | (1) |
其中:
| $L_{\mathrm{eq}}=L_{\mathrm{T}}+L / 2 $ | (2) |
式中:Leq为等效电感;LT为变压器的漏感。
对式(1)进行dq变换,从而得到dq坐标系下的电压、电流表达式:
| $\left\{\begin{array}{l} L_{\mathrm{eq}} \frac{\mathrm{d} i_{\mathrm{s} d}}{\mathrm{~d} t}=u_{\mathrm{s} d}+\omega L_{\mathrm{eq}} i_{\mathrm{s} q}-u_{\mathrm{v} d} \\ L_{\mathrm{eq}} \frac{\mathrm{d} i_{\mathrm{s} q}}{\mathrm{~d} t}=u_{\mathrm{s} q}-\omega L_{\mathrm{eq}} i_{\mathrm{s} d}-u_{\mathrm{v} q} \end{array}\right. $ | (3) |
根据式(3),结合电流内环控制公式,得到电流内环控制框图如图 2所示。
|
图 2 柔直系统电流内环控制框图 Fig. 2 Current inter-loop control block diagram of VSC-HVDC system |
图 2中,uvj_ref为柔直控制系统计算得出的阀侧电压参考波;isd*,isq*分别为电流内环d、q轴参考值;isd,isq分别为网侧电流的d、q轴分量;Usd,Usq分别为网侧电压的d、q轴分量;θ为锁相角,用于dq变换;Gi(s)为电流内环控制器,其表达式为:
| $ G_{\mathrm{i}}(s)=k_{\mathrm{p}}+k_{\mathrm{i}} / s $ | (4) |
式中:kp为比例系数;ki为积分系数。
以单相金属性接地故障为例,当交流系统网侧发生不平衡故障时,网络中将存在正序、负序、零序的电压源,而由于柔直系统变压器一般采用Y/d接线或者Y0/y经大电阻接地(如图 1所示),所以阀侧故障电流中一般不含零序电流,仅包含正序、负序电流。为防止因故障电流过大导致换流阀过流闭锁,需要对柔直故障电流进行限制,控制正序、负序电流大小,以实现柔直系统的故障穿越。
柔直控制系统的参考波可表示为正序参考波与负序参考波的叠加。
| $ u_{\alpha \beta_{-} \mathrm{ref}}=u_{\alpha \beta_{-} \mathrm{ref}}^{+}+u_{\alpha \beta_{-} \mathrm{ref}}^{-} $ | (5) |
式中:uαβ_ref为参考波αβ分量;uαβ_ref+,uαβ_ref-分别为参考波正、负序αβ分量。
|
图 3 柔直系统正负序电流内环控制框图 Fig. 3 The positive and negative sequence current inter- loop control block diagram of VSC-HVDC system |
图 3中,Gi+(s)为正序电流环控制器;Gi-(s)为负序电流环控制器,两者可根据不同的控制工况和需求选择参数。isd+,isq+分别为网侧正序电流d、q轴分量;isd-,isq-分别为网侧负序电流d、q轴分量;Usd+,Usq+为正序电流前馈。正序电流环的电流参考指令isd+*,isq+*由外环电压和功率指令计算得到。负序电流环的电流参考指令直接设置为0,即将负序电流控制为0。通过负序电流环控制,叠加负序电压前馈usd-,usq-,对故障时的负序电流进行抑制,从而实现柔直系统故障穿越,确保柔直系统持续运行。
1.2 柔直系统的正负序分解算法分析为抑制故障时的负序电流,须对交流电压和电流进行正负序分解,正负序分解算法有信号延时法、低通滤波法、降阶谐振调节法[23-26]等。信号延时法具有结构简单、计算量小等优点,使用较为广泛。文中的正负序分解方法特指信号延时法,将电网电压和电流采样量延时1/4工频周期,从而实现电网电压、电流正负序分量分离的目的。以网侧电流的正负序分解为例,电流正序、负序分量的矩阵表达式分别为:
| $ \left[\begin{array}{c} i_{\alpha}^{+} \\ i_{\beta}^{+} \end{array}\right]=\frac{1}{2}\left[\begin{array}{cc} 1 & -G_{-90}(s) \\ G_{-90}(s) & 1 \end{array}\right]\left[\begin{array}{c} i_{\alpha} \\ i_{\beta} \end{array}\right] $ | (6) |
| $ \left[\begin{array}{c} i_{\alpha}^{-} \\ i_{\beta}^{-} \end{array}\right]=\frac{1}{2}\left[\begin{array}{cc} 1 & G_{-90}(s) \\ -G_{-90}(s) & 1 \end{array}\right]\left[\begin{array}{c} i_{\alpha} \\ i_{\beta} \end{array}\right] $ | (7) |
式中: iα,iβ分别为网侧电流的α、β分量;iα+,iβ+分别为网侧电流的正序α、β分量;iα-,iβ-分别为网侧电流的负序α、β分量;G-90(s)为90°旋转因子。
| $ G_{-90}(s)=\mathrm{e}^{-s \frac{T}{4}} $ | (8) |
式中:T为工频周期。
令:
| $ \left\{\begin{array}{l} i_{\alpha \beta}=i_{\alpha}+{\rm{j}} i_{\beta} \\ i_{\alpha \beta}^{+}=i_{\alpha}^{+}+{\rm{j}}i_{\beta}^{+} \\ i_{\alpha \beta}^{-}=i_{\alpha}^{-}+{\rm{j}} i_{\beta}^{-} \end{array}\right. $ | (9) |
则可将式(6)、式(7)转换为αβ坐标系下的函数。
| $ \left\{\begin{array}{l} i_{\alpha \beta}^{+}=\left(1+\mathrm{j} G_{-90}(s)\right) i_{\alpha \beta} / 2 \\ i_{\alpha \beta}^{-}=\left(1-\mathrm{j} G_{-90}(s)\right) i_{\alpha \beta} / 2 \end{array}\right. $ | (10) |
| $ \left\{\begin{array}{l} G_{\mathrm{seq}}^{+}(s)=\left(1+\mathrm{j} G_{-90}(s)\right) / 2 \\ G_{\mathrm{seq}}^{-}(s)=\left(1-\mathrm{j} G_{-90}(s)\right) / 2 \end{array}\right. $ | (11) |
以T=20 ms为例,根据式(11)画出正负序分解函数的幅频特性曲线,如图 4所示。图 4中,对于电压或电流的采样输入,经正序分解传递函数Gseq+(s)后,在基波正序(50 Hz)处的幅值为0,相位为0;经负序分解传递函数Gseq-(s)后在基波负序(-50 Hz)处的幅值为0,相位为0。因而,可以实现对基波正序、负序分量的无偏差分解。
|
图 4 正负序分解函数的幅频特性曲线 Fig. 4 Amplitude-frequency characteristic curves of posi- tive and negative sequence decomposition function |
而对于其他频率电压或电流的采样输入,从图 4中可以看出,正序分解计算对频率为f1的谐波分量具有极大的衰减作用,其相位也在该频率处发生±90°的突变,且随着频率变化,相位从+90°~-90°周期性改变。负序分解计算对频率为f2的谐波分量具有极大的衰减作用,相位变化与正序分解类似,在f2频率处发生±90°的突变。
| $ f_{1}=\left(4 k_{1}-1\right) f $ | (12) |
| $ f_{2}=\left(4 k_{2}+1\right) f $ | (13) |
式中:k1,k2为整数,k1>0, k2≥0;f为基波频率。
由于正序分解函数和负序分解函数对特定频率具有衰减作用,因此当交流系统中含有f1或f2的谐波分量时,正序控制环不应引入频率为f1的谐波分量,负序控制环不应引入频率为f2的谐波分量,从而使正序控制环对频率为f1的谐波分量不具备控制作用,负序控制环对频率为f2的谐波分量不具备控制作用。
对于其他输入信号,随着频率变化,正负序分解后的信号幅值及相位发生周期性的偏移,从而导致控制系统阻抗相位发生周期性变化。
2 柔直系统的高频阻抗及自适应故障穿越柔直系统外环可分为有功类控制和无功类控制,其中有功类控制包括有功功率控制、直流电压控制、频率控制;无功类控制包括无功功率控制、交流电压控制。外环控制器的截止频率一般在100 Hz以内,锁相环的带宽一般在50 Hz以内,因此考虑柔直系统高频段的阻抗时,可以忽略柔直系统外环控制、锁相环对阻抗的影响。
2.1 柔直系统高频阻抗柔直系统与交流电网的高频谐振在工程中屡见不鲜[19, 22]。对现有基于正负序分解的控制系统进行高频建模,分析其阻抗特性后,根据图 3对柔直系统进行高频阻抗建模。由于正负序的对称性,其在dq坐标系下的控制框图是一致的,如图 5所示。
|
图 5 柔直系统电流内环控制逻辑框图 Fig. 5 Control logic block diagram of the current inter-loop of VSC-HVDC system |
图 5中,isdq*为电流内环参考值的dq分量;isdq为网侧电流实际值的dq分量;Gvf(s)为前馈电压滤波器,可采用一阶低通、二阶低通或者非线性滤波器;knlm为调制系数,一般为1;Gdelay(s)为考虑控制系统延时的传递函数,表达式为:
| $ G_{\text {delay }}(s)=\mathrm{e}^{-s t_{\mathrm{d}}} $ | (14) |
式中:td为系统延迟时间。为将正负序分解函数引入控制框图中,把dq坐标系下的传递函数转换到αβ坐标系下,可得其正、负序阻抗ZMMC+, ZMMC-的关系式分别为:
| $ Z_{\mathrm{MMC}}^{+} =\frac{s L_{\mathrm{eq}}+G_{\text {delay }}(s) G_{\mathrm{i}}\left(s-\mathrm{j} \omega_{0}\right) G_{\mathrm{seq}}^{+}(s)}{1-G_{\text {delay }}(s) G_{\mathrm{vf}}\left(s-\mathrm{j} \omega_{0}\right) G_{\mathrm{seq}}^{+}(s)} $ | (15) |
| $ Z_{\mathrm{MMC}}^{-} =\frac{s L_{\mathrm{eq}}+G_{\text {delay }}(s) G_{\mathrm{i}}\left(s+\mathrm{j} \omega_{0}\right) G_{\mathrm{seq}}^{-}(s)}{1-G_{\text {delay }}(s) G_{\mathrm{vf}}\left(s+\mathrm{j} \omega_{0}\right) G_{\mathrm{seq}}^{-}(s)} $ | (16) |
式中:ω0为工频角频率。
当仅考虑柔直系统高频特性时,前馈电压的滤波截止频率一般较低,且高频时电流环的积分环节所起作用较小,因而式(15)、式(16)可化简为:
| $ \begin{aligned} Z_{\text {MMC }}^{+}=s L_{\mathrm{eq}}+\frac{1}{2} k_{\mathrm{p}}\left[\mathrm{e}^{-s t_{\mathrm{d}}}+\mathrm{je}=-\left(t_{\mathrm{d}}^{\left.+\frac{T}{4}\right)}\right]\right. \end{aligned} $ | (17) |
| $ Z_{\text {MMC }}^{-}=s L_{\mathrm{eq}}+\frac{1}{2} k_{\mathrm{p}}\left[\mathrm{e}^{-s t_{\mathrm{d}}}+\mathrm{je}=\left(t_{\mathrm{d}}^{\left.+\frac{T}{4}\right)}\right]\right. $ | (18) |
从式(17)、式(18)可以看出,仅考虑高频情况时正序阻抗和负序阻抗是一致的。柔直系统的高频存在两部分周期性变化的量,一项与系统延时有关,一项与系统延时加正负序分解引入的基波周期有关。系统自身延时函数必然会使柔直阻抗产生负阻(阻抗相位大于90°),第一次出现负阻的频率大于1/(4td),而正负序分解则加剧了负阻。以正序阻抗为例,考虑延时td=350 μs,得出式(17)的幅频特性曲线,如图 6所示。
|
图 6 采用正负序分解的柔直系统高频幅频特性曲线 Fig. 6 High frequency amplitude-frequency characteristic curves of the VSC-HVDC system with positive and negative sequence decomposition |
理论上首次出现负阻的频率应为714 Hz,而从图 6中可以看到,在320 Hz时阻抗相位大于90°,已经出现了负阻,且阻抗幅值、相位存在187 Hz左右的周期性波动。正负序分解的应用,使柔直系统出现负阻的频率提前,且柔直阻抗存在周期性更短的、超过90°的相位波动,从而柔直系统与交流电网在该点处有产生谐振的风险。
2.2 适时切换的故障穿越控制方法设计为实现柔直的故障穿越、控制负序电流,需要采用正负序控制,而正负序分解又导致柔直阻抗产生周期性波动,影响稳定性。因此文中采用一种适时切换的故障穿越方法,在稳态时采用全序电流环控制,故障时快速检测判断出故障,并叠加负序电流环控制,实现故障穿越。具体控制框图见图 7。
|
图 7 采用全序自适应算法的柔直系统控制框图 Fig. 7 The control block diagram of VSC-HVDC system with full sequence adaptive algorithm |
图 7中,当柔直系统和交流电网正常运行时,故障标识位AC_F为0,系统中以正序分量为主,负序、零序分量极少。因此,可不对电流环的采样输入进行正负序分解,直接引入全序电流量isd, isq进行控制,从而避免正负序分解对柔直系统阻抗的影响。同时,加入正序电压前馈,加快对电网扰动的跟踪。因电网电压前馈一般会作为截止频率较低的低通滤波处理,其正负序分解并不会对高频阻抗波动造成影响。
正常工况下,负序控制环输出为0。当交流系统发生不对称故障时,系统中必然存在正序分量和负序分量。当负序电压满足式(19)-式(22)任一情况,则判断交流电网发生故障。
| $ \begin{gathered} u_{\mathrm{s} d}^{-} \geqslant k_{d} \end{gathered} $ | (19) |
| $ u_{\mathrm{s} q}^{-} \geqslant k_{q} $ | (20) |
| $\Delta u_{\mathrm{s} d}^{-} / \Delta t \geqslant m_{d} $ | (21) |
| $ \Delta u_{\mathrm{s} q}^{-} / \Delta t \geqslant m_{q} $ | (22) |
式中:kd,kq,md,mq为设定的故障判断定值。延时一段时间t后,柔直系统判断交流电网发生故障,置故障标识位为1,此时在全序电流控制的基础上,迅速投入负序电流环控制,抑制负序电流,避免柔直系统因负序电流过大而闭锁停运。当交流电网故障消失后,则退出负序电流环控制,恢复稳态时的全序电流控制。
采用文中所用的控制方法后,式(15)、式(16)可转换为:
| $ Z_{\mathrm{MMC}}=\frac{s L_{\mathrm{eq}}+G_{\text {delay }}(s) G_{\mathrm{i}}\left(s-\mathrm{j} \omega_{0}\right)}{1-G_{\text {delay }}(s) G_{\mathrm{vf}}\left(s-\mathrm{j} \omega_{0}\right) G_{\mathrm{seq}}^{+}(s)} $ | (23) |
高频时不考虑经低通滤波的电压前馈环节,进一步可化简为:
| $ Z_{\mathrm{MMC}}=s L_{\mathrm{eq}}+\frac{1}{2} k_{\mathrm{p}} \mathrm{e}^{-s t_{\mathrm{d}}} $ | (24) |
从式(24)中可以看出,阻抗的变化仅与内环控制环节kp、系统延时td有关。
稳态情况下,正负序分解算法及全序电流控制算法的柔直系统高频阻抗幅频特性曲线如图 8所示。
|
图 8 不同算法下的柔直系统高频幅频特性曲线 Fig. 8 High frequency amplitude-frequency characteristic curves of VSC-HVDC system with different algorithms |
图 8中,采用全序电流控制的柔直系统阻抗不再存在187 Hz左右的周期性波动,且1 000 Hz以内阻抗相位平缓,超过90°的概率降低,减小了柔直系统与交流电网高频振荡的风险。
3 仿真系统建立和试验验证 3.1 仿真系统建立利用PSCAD离线仿真软件,以国内某实际工程参数为例,建立仿真模型进行验证,系统主要参数见表 1。仿真系统初始条件为: 整流侧S1定有功功率和无功功率控制,有功功率为500 MW,无功功率为0;逆变侧S2定直流电压和无功功率控制,直流电压为500 kV,无功功率为0。
|
|
表 1 柔直系统主要参数 Table 1 Main parameters of VSC-HVDC system |
首先对不同算法下的柔直系统进行高频处的阻抗扫描,在整流侧注入谐波电压,通过检测系统谐波电压和电流计算柔直系统阻抗,得到正负序控制和全序控制下的柔直系统阻抗,如图 9所示。从图 9可以看出,内环采用全序电流控制算法后,稳态时的阻抗特性曲线幅值、相位平滑,未有周期性的波动,大大降低了高频振荡的风险。
|
图 9 不同算法下的柔直系统阻抗扫描幅频特性曲线 Fig. 9 Impedance scan amplitude-frequency characteristic curves of VSC-HVDC system with different algorithms |
稳态时内环采用全序电流控制还须考虑动态时的故障穿越,根据式(19)-式(22),通过适时的故障穿越方法切换实现故障时的负序电流抑制,避免柔直系统闭锁。
仿真工况1为模拟整流侧网侧电压单相接地故障100 ms,仿真结果见图 10。仿真工况2为模拟整流侧网侧电压a、b两相接地故障100 ms,仿真结果见图 11,其中Ps为柔直系统传输的功率。
|
图 10 整流侧网侧单相接地故障仿真结果 Fig. 10 Simulation results of single-phase grounding fault on the rectifier side |
由图 10、图 11可知,在7.50 s发生单相接地、两相接地等不平衡故障时,网侧电流由于零序电流的存在,远大于稳态时的值,电流峰值超过10 kA。由于变压器绕组接线方式的设计,阀侧电流较小。根据式(19)-式(22),可在10 ms内判断出交流系统不对称故障,通过适时切换的故障穿越方法,增加负序电流控制和负序电压前馈控制,有效地控制网侧和阀侧的负序电流,避免系统闭锁停运。故障在7.6 s消失后,负序电压消失,系统重新切回稳态时的全序控制。
|
图 11 整流侧网侧两相接地故障仿真结果 Fig. 11 Simulation results of two-phase grounding fault on the rectifier side |
文中针对交流系统不平衡故障下柔直系统的运行及控制,研究了采用1/4周期延时的正负序分解算法对柔直系统不同频率的谐波幅值和相位的影响,表明采用信号延时正负序分解算法会对柔直系统阻抗造成周期性的波动。文中所提的全序电流控制算法能消除稳态时柔直系统阻抗幅值、相位的周期性波动。同时,考虑交流系统故障时柔直系统的故障穿越,通过自适应的快速故障判断、适时地自动切换控制算法,能实现故障时柔直系统的负序电流抑制。利用PSCAD建立的仿真系统可验证算法的实用性。
| [1] |
吕敬, 蔡旭. 基于谐波线性化的模块化多电平换流器阻抗建模[J]. 电力系统自动化, 2017, 41(4): 136-142. LYU Jing, CAI Xu. Harmonic linearization based impedance modeling of modular multilevel converters[J]. Automation of Electric Power Systems, 2017, 41(4): 136-142. ( 0) |
| [2] |
徐政. 柔性直流输电系统[M]. 2版. 北京: 机械工业出版社, 2016: 1-13. XU Zheng. Voltage source converter based HVDC power transmission systems[M]. 2nd ed. Beijing: China Machine Press, 2016: 1-13. ( 0) |
| [3] |
张钦智, 王宾, 李琰, 等. 风电场经柔性直流输电系统故障穿越协调控制研究[J]. 电力系统保护与控制, 2020, 48(10): 131-138. ZHANG Qinzhi, WANG Bin, LI Yan, et al. Research on fault crossing coordination control of a wind farm via a flexible direct current transmission system[J]. Power System Protection and Control, 2020, 48(10): 131-138. ( 0) |
| [4] |
肖亮, 徐政, 刘昇, 等. 向无源网络供电的MMC-HVDC送端交流故障穿越策略[J]. 电工技术学报, 2016, 31(15): 89-98. XIAO Liang, XU Zheng, LIU Sheng, et al. AC fault ride-through strategy of MMC-HVDC connected to passive networks[J]. Transactions of China Electrotechnical Society, 2016, 31(15): 89-98. DOI:10.3969/j.issn.1000-6753.2016.15.011 ( 0) |
| [5] |
叶敏芝, 喻哲扬, 徐政. 欧洲柔性直流电网的规划及其仿真研究[J]. 电力工程技术, 2020, 39(6): 66-75. YE Minzhi, YU Zheyang, XU Zheng. Planning and simulation research of European VSC-HVDC grid[J]. Electric Power Engineering Technology, 2020, 39(6): 66-75. ( 0) |
| [6] |
董云龙, 凌卫家, 田杰, 等. 舟山多端柔性直流输电控制保护系统[J]. 电力自动化设备, 2016, 36(7): 169-175. DONG Yunlong, LING Weijia, TIAN Jie, et al. Control & protection system for Zhoushan multi-terminal VSC-HVDC[J]. Electric Power Automation Equipment, 2016, 36(7): 169-175. ( 0) |
| [7] |
王庆, 卢宇, 胡兆庆, 等. 柔性直流输电系统孤岛运行方式下的故障电流抑制方法[J]. 电力系统自动化, 2018, 42(7): 56-61. WANG Qing, LU Yu, HU Zhaoqing, et al. Fault current suppression method for flexible DC transmission system operating in islanded mode[J]. Automation of Electric Power Systems, 2018, 42(7): 56-61. ( 0) |
| [8] |
王柯, 李继红, 田杰, 等. 多端柔性直流故障快速恢复系统控制策略[J]. 供用电, 2017, 34(8): 2-7, 22. WANG Ke, LI Jihong, TIAN Jie, et al. Control strategy of quick recovery system with multi-terminals HVDC DC fault[J]. Distribution & Utilization, 2017, 34(8): 2-7, 22. ( 0) |
| [9] |
胡文旺, 唐志军, 林国栋, 等. 柔性直流输电工程系统调试技术应用、分析与改进[J]. 电力自动化设备, 2017, 37(10): 197-203, 210. HU Wenwang, TANG Zhijun, LIN Guodong, et al. Application, analysis and improvement of system commissioning technology for flexible DC transmission project[J]. Electric Power Automation Equipment, 2017, 37(10): 197-203, 210. ( 0) |
| [10] |
林湘宁, 胡仙清, 童宁, 等. 具备高灵敏性与速动性的柔性直流输电系统纵联保护方案[J]. 电力系统保护与控制, 2020, 48(14): 130-139. LIN Xiangning, HU Xianqing, TONG Ning, et al. A pilot protection scheme for an VSC-MTDC system with high sensitivity and rapidity[J]. Power System Protection and Control, 2020, 48(14): 130-139. ( 0) |
| [11] |
姜浩宇, 李化, 易博思, 等. 柔性直流输电工程用电容参数研究[J]. 电力电容器与无功补偿, 2020, 41(1): 102-106. JIANG Haoyu, LI Hua, YI Bosi, et al. Study on capacitor parameters of flexible hvdc transmission project[J]. Power Capacitors & Reactive Power Compensation, 2020, 41(1): 102-106. ( 0) |
| [12] |
蔡晖, 彭竹弈, 张文嘉, 等. 柔性直流输电技术在江苏电网的应用研究[J]. 电力电容器与无功补偿, 2019, 40(2): 90-94. CAI Hui, PENG Zhuyi, ZHANG Wenjia, et al. Study on application of voltage-source-controlled high-voltage direct-current transmission technology in Jiangsu power grid[J]. Power Capacitors & Reactive Power Compensation, 2019, 40(2): 90-94. ( 0) |
| [13] |
刘耀, 吴佳玮, 肖晋宇, 等. 有源型柔性直流输电技术在全球能源互联网背景下的应用研究[J]. 全球能源互联网, 2020, 3(2): 107-116. LIU Yao, WU Jiawei, XIAO Jinyu, et al. Application of active MMC-HVDC in the background of global energy interconnection[J]. Journal of Global Energy Interconnection, 2020, 3(2): 107-116. ( 0) |
| [14] |
胡兆庆, 田杰, 董云龙, 等. 模块化多电平柔性直流输电系统网侧故障控制策略及验证[J]. 电力系统自动化, 2013, 37(15): 71-75, 108. HU Zhaoqing, TIAN Jie, DONG Yunlong, et al. A control strategy for modular multilevel converter based HVDC flexible systems under system faults and its verification[J]. Automation of Electric Power Systems, 2013, 37(15): 71-75, 108. ( 0) |
| [15] |
周林, 张林强, 李怀花, 等. 光伏并网逆变器负序分量补偿法控制策略[J]. 高电压技术, 2013, 39(5): 1197-1203. ZHOU Lin, ZHANG Linqiang, LI Huaihua, et al. Negative component compensation control scheme for photovoltaic grid-connected inverter[J]. High Voltage Engineering, 2013, 39(5): 1197-1203. ( 0) |
| [16] |
周月宾, 江道灼, 郭捷, 等. 交流系统不对称时模块化多电平换流器的控制[J]. 电网技术, 2013, 37(3): 622-628. ZHOU Yuebin, JIANG Daozhuo, GUO Jie, et al. Control of modular multilevel converter under imbalance of AC power system[J]. Power System Technology, 2013, 37(3): 622-628. ( 0) |
| [17] |
王潇, 刘辉, 邓晓洋, 等. 双馈风电场经柔性直流并网系统的宽频带振荡机理分析与风险评估[J]. 全球能源互联网, 2020, 3(3): 238-247. WANG Xiao, LIU Hui, DENG Xiaoyang, et al. Mechanism analysis and risk assessment of broadband resonance in doubly-fed induction generator-based wind farms integration through flexible HVDC[J]. Journal of Global Energy Interconnection, 2020, 3(3): 238-247. ( 0) |
| [18] |
朱明琳, 杭丽君, 李国杰, 等. 三相电网不平衡下MMC多变量保护控制策略及系统运行性能研究[J]. 中国电机工程学报, 2016, 36(9): 2408-2418. ZHU Minglin, HANG Lijun, LI Guojie, et al. Investigation of MMC multi-variable protected strategies and system operation characteristics under unbalanced grid faults[J]. Proceedings of the CSEE, 2016, 36(9): 2408-2418. ( 0) |
| [19] |
尹聪琦, 谢小荣, 刘辉, 等. 柔性直流输电系统振荡现象分析与控制方法综述[J]. 电网技术, 2018, 42(4): 1117-1123. YIN Congqi, XIE Xiaorong, LIU Hui, et al. Analysis and control of the oscillation phenomenon in VSC-HVDC transmission system[J]. Power System Technology, 2018, 42(4): 1117-1123. ( 0) |
| [20] |
WEN B, BOROYEVICH D, BURGOS R, et al. Analysis of D-Q small-signal impedance of grid-tied inverters[J]. IEEE Transactions on Power Electronics, 2016, 31(1): 675-687. ( 0) |
| [21] |
ZOU C Y, RAO H, XU S K, et al. Analysis of resonance between a VSC-HVDC converter and the AC grid[J]. IEEE Transactions on Power Electronics, 2018, 33(12): 10157-10168. ( 0) |
| [22] |
郭贤珊, 刘泽洪, 李云丰, 等. 柔性直流输电系统高频振荡特性分析及抑制策略研究[J]. 中国电机工程学报, 2020, 40(1): 19-29, 370. GUO Xianshan, LIU Zehong, LI Yunfeng, et al. Characteristic analysis of high-frequency resonance of flexible high voltage direct current and research on its damping control strategy[J]. Proceedings of the CSEE, 2020, 40(1): 19-29, 370. ( 0) |
| [23] |
SUN J. Impedance-based stability criterion for grid-connected inverters[J]. IEEE Transactions on Power Electronics, 2011, 26(11): 3075-3078. ( 0) |
| [24] |
吕敬, 蔡旭, 张占奎, 等. 海上风电场经MMC-HVDC并网的阻抗建模及稳定性分析[J]. 中国电机工程学报, 2016, 36(14): 3771-3781. LYU Jing, CAI Xu, ZHANG Zhankui, et al. Impedance modeling and stability analysis of MMC-based HVDC for offshore wind farms[J]. Proceedings of the CSEE, 2016, 36(14): 3771-3781. ( 0) |
| [25] |
袁旭峰, 程时杰, 文劲宇. 改进瞬时对称分量法及其在正负序电量检测中的应用[J]. 中国电机工程学报, 2008, 28(1): 52-58. YUAN Xufeng, CHENG Shijie, WEN Jinyu. An improved method of instantaneous symmetrical components and its detection for positive and negative sequence current[J]. Proceedings of the CSEE, 2008, 28(1): 52-58. ( 0) |
| [26] |
李葛亮, 谢桦, 赵新, 等. 基于降阶谐振调节器的正负序分量检测方法[J]. 电力系统保护与控制, 2013, 41(14): 41-47. LI Geliang, XIE Hua, ZHAO Xin, et al. Positiveand negative-sequence component detecting method based on reduced order resonant regulator[J]. Power System Protection and Control, 2013, 41(14): 41-47. ( 0) |
2022, Vol. 41


王柯(1986), 男, 硕士, 高级工程师, 从事柔性直流输电控制保护系统相关工作(E-mail:
0)